Analog Devices Inc. SCP-LT3045-1-EVALZ Evaluierungsboard
Das Analog Devices Inc. SCP-LT3045-1-EVALZ Evaluierungsboard ist zur Evaluierung des LT3045-1 ICs, einem leistungsstarken Low-Dropout-Linearregler ausgelegt. Dieses Board ist ein 20-V-Low-Dropout-Regler (LDO) von 500 mA, der einen rauscharmen Betrieb in rauschempfindlichen Schaltungen bietet. Das SCP-LT3045-1-EVALZ Board ist für einen großen Ausgangsbereich konfiguriert und bietet einen extrem leisen Betrieb mit einem hohen PSR. Dieses Board kann einfach in andere SCP-Boards eingesteckt werden, um ein vollständiges Signalketten-Leistungssystem zu bilden, das eine schnelle Evaluierung der stromsparenden Signalketten ermöglicht.Merkmale
- Rauscharmer Betrieb in rauschempfindlichen Schaltungen
- Maximale Eingangsspannung (VIN(MAX)): 20 V
- Maximale Ausgangsspannung (VOUT(MAX)): 19,5 V
- Maximaler Ausgangsstrom (IOUT(MAX)): 500 mA
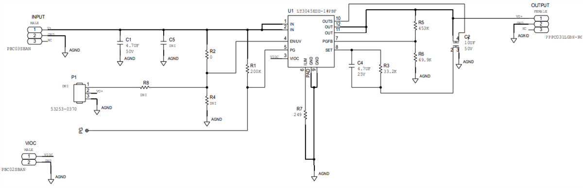
Schaltplan-Diagramm
Veröffentlichungsdatum: 2021-03-09
| Aktualisiert: 2022-03-11
