Analog Devices Inc. SSM6515 Audioverstärker der Leistungsklasse D mit extrem geringem Stromverbrauch
Der Analog Devices Inc. SSM6515 Audioverstärker der Leistungsklasse D mit extrem geringem Stromverbrauch ist für den Einsatz in drahtlosen Kopfhörern, Smartphone-Ohrhörern und Hörgeräten optimiert. Die Applikations-Schaltung benötigt nur wenige externe Komponenten und wird von einer 1,8-V-Versorgung (PVDD) und einer 1,2-V- bis 1,8-V-Versorgung (IOVDD) betrieben. Mit einer 1,8-V-Signalisierung kann die Versorgung geteilt werden. Der SSM651 Verstärker kann eine Dauerausgangsleistung von 85 mW in eine Last von 16 Ω mit einem Klirrfaktor plus Rauschen (THD + N) von <1 % liefern.Der SSM6515 Verstärker verfügt über ein rauscharmes Modulationsschema mit hohem Wirkungsgrad, das keine externen Induktivitäts-/Kondensator-Ausgangsfilter (LC) erfordert. Dieses Schema bietet einen hohen Wirkungsgrad selbst bei sehr niedriger Ausgangsleistung, was gegenüber herkömmlichen Kopfhörerverstärkern längere Batterielaufzeiten ermöglicht. Das Bauteil arbeitet mit einem Wirkungsgrad von >90 % bei 55 mW in eine Last von 16 Ω und verfügt über ein Signal-Rausch-Verhältnis (SRV) von 113 dB. Die Frequenzspreizungsmodulation mit stabiler Gleichtakt-Pulsdichte bietet im Vergleich zu anderen Architekturen der Klasse D wesentlich geringere abgestrahlte elektromagnetische Störungen (EMI).
Der digitale Eingang des SSM6515 beseitigt die Notwendigkeit für einen externen Digital-Analog-Wandler (DAC). Der SSM6515 verfügt über einen Mikropower-Abschaltmodus mit einem typischen Abschaltstrom von 6 μA bei einer PVDD-Versorgung von 1,8 V und kann automatisch ohne Eingang abgeschaltet werden. Darüber hinaus enthält das Bauteil eine Knack- und Klick-Unterdrückungsschaltung, die Spannungsstörungen am Ausgang während dem Ein- und Ausschalten reduziert. Die Eingänge unterstützen verschiedene serielle Audioformate, einschließlich I2S, Zeitmultiplexverfahren (TDM) und Pulsdichtenmodulation (PDM).
Der SSM6515 ist für den Betrieb mit einer I2C-Steuerschnittstelle oder im eigenständigen Modus ausgelegt und über einen Temperaturbereich von -40 °C bis +85 °C spezifiziert. Das Bauteil verfügt über eine integrierte Ausgangs-Kurzschluss-Sicherung.
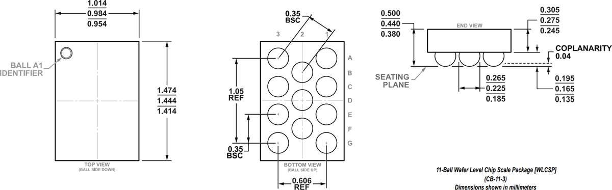
Der SSM6515 Audioverstärker der Klasse D von Analog Devices Inc. ist in einem halogenfreien 11-Ball-Wafer-Level-Chip-Scale-Gehäuse (WLCSP) von 0,984 mm × 1,444 mm mit einem Rastermaß von 0,35 mm verfügbar.
Merkmale
- Verstärker der Klasse D mit filterlosem digitalem Eingang und Mono-Differentialausgang sowie einer dreistufigen Σ-Δ-Modulation, der für den Antrieb von Kopfhörern optimiert ist
- Wird mit einer Einzelversorgung von 1,8 V betrieben
- Ausgangsleistung von 80 mW, Last von 16 Ω bei <0,1 % THD + N
- Rauschen von 2,57 μV rms, A-bewertetes Signal-Rausch-Verhältnis von 113 dB und Dynamikbereich
- 0,003 % THD + N bei 30 mW, Ausgang von 1 kHz, Last von 32 Ω
- I2C-Steuerung mit bis zu 4 Pin-wählbaren Adressen oder eigenständigem Betrieb
- Mehrere serielle Datenformate
- TDM, I2S oder linksbündiger Slave
- Der PDM-Eingang wird von von 2,8224 MHz bis 12,288 MHz betrieben
- Unterstützt Abtastraten von 8 kHz bis 768 kHz
- Latenz von 3,9 μs mit PDM-Eingang von 6 MHz
- Flexible digitale Gain-Einstellung
- DC-Hochpasssperrfilter mit einer programmierbaren Eckfrequenz
- Typische Leerlaufleistung im Hochleistungsmodus: 1,55 mW
- Stromsparmodi für einen reduzierten Stromverbrauch
- Gain-Begrenzer mit flexiblem Ausgang und Clipping
- Automatische Abschaltfunktion mit Null-Digitaleingang
- Kurzschluss-Sicherung
- Unterdrückung von Klick- und Knackgeräuschen
- Nutzer-wählbarer, extrem niedriger EMI-Emissions-Modus
- Power-On-Reset
- PVDD-Versorgung: 1,8 V
- IOVDD-Versorgung: 1,2 V bis 1,8 V
- WLCSP-11 von 0,984 mm x 1,444 mm, Rastermaß von 0,35 mm
Applikationen
- Drahtlose Kopfhörer
- Kopfhörer mit aktiver Rauschunterdrückung
- Ohrhörer-Lautsprecher für Smartphones
- Hörhilfegeräte
- Tragbare Elektronik
Blockdiagramm
Typische Applikations-Schaltung
Gehäuseabmessungen
