Analog Devices Inc. EVAL-ADM3067EEBZ Evaluierungsboard
Das Analog Devices EVAL-ADM3067EEBZ Evaluierungsboard ist zur Evaluierung des Betriebsverhaltens des ADM3067E 50-MBit/s-RS-485-Transceivers ausgelegt. Dieses Evaluierungsboard bietet einen IEC-ESD-Schutz an den RS-485-A- und -B-Pins mit Testpunkten für die Messung aller Signale. Das EVAL-ADM3067EEBZ Evaluierungsboard verfügt über eine Steckbrücken-auswählbare Aktivierung/Deaktivierung für RE und DE und Widerständen mit Footprints für Terminierungs- und Bias-Netzwerke. Dieses Evaluierungsboard wird von einem standardmäßig konfigurierbaren Tischnetzteil innerhalb einer Versorgungsspannung von 3,0 V bis 5,5 V betrieben.Merkmale
- Einfache Evaluierung des ADM3076E 50-MBit/s-RS-485-Transceivers
- Board-Layout für Standard-, Vollduplex-, RS-485-Footprint
- Schraubanschlussklemmen für Logik-Ein-/Ausgang und RS-485-Signale
- Steckbrücken-wählbare Aktivierung/Deaktivierung für RE und DE
- Testpunkte für die Messung aller Signale
- Widerstände und Footprints für Terminierungs- und Bias-Netzwerke
Technische Daten
- 14-Pin-SOIC-Gehäuse
- ±12 kV Kontaktentladung und ±12 kV Luftentladung
- Versorgungsspannungsbereich von 3 V bis 5 V
Erforderliche Ausrüstung
- Oszilloskop
- Signalgenerator
- Versorgung: 3 V bis 5 V
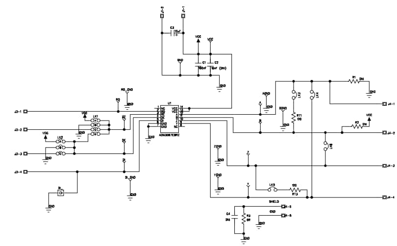
EVAL-ADM3067EEBZ Schaltbild
Veröffentlichungsdatum: 2019-05-13
| Aktualisiert: 2024-01-05
