Analog Devices / Maxim Integrated MAX14691EVKIT Evaluierungskit
Das Maxim Integrated MAX14691EVKIT Evaluierungskit ist eine vollständig bestückte und getestete Leiterplatte, die das MAX14691 Überspannungs-, Unterspannungs- und Überspannungstrom-Schutzbauteil demonstriert. Das Kit enthält einen externen p-Kanal-MOSFET und LED-Eingangs- und Ausgangsablesungen. Dieses Evaluierungskit wird mit dem installierten MAX14691ATP+ geliefert, kann aber auch zur Evaluierung der Pin-kompatiblen MAX14692 und MAX14693 Bauteile mit einem IC-Austausch auf U1 verwendet werden.Merkmale
- 5,5 V bis 58 V Betriebsspannungsbereich
- Installierter externer p-Kanal-MOSFET
- Bewährtes PCB-Layout
- Vollständig bestückt und getestet
Applikationen
- Steuerung und Automatisierung
- Hochleistungsanwendungen
- HMI (Human Machine Interfaces)
- Industrielle Energiesysteme
- Motion-System-Treiber
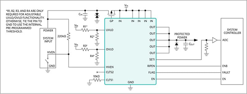
Typische Applikation
Veröffentlichungsdatum: 2019-10-17
| Aktualisiert: 2023-04-26
