Analog Devices / Maxim Integrated MAX16712 Abwärts-Schaltregler
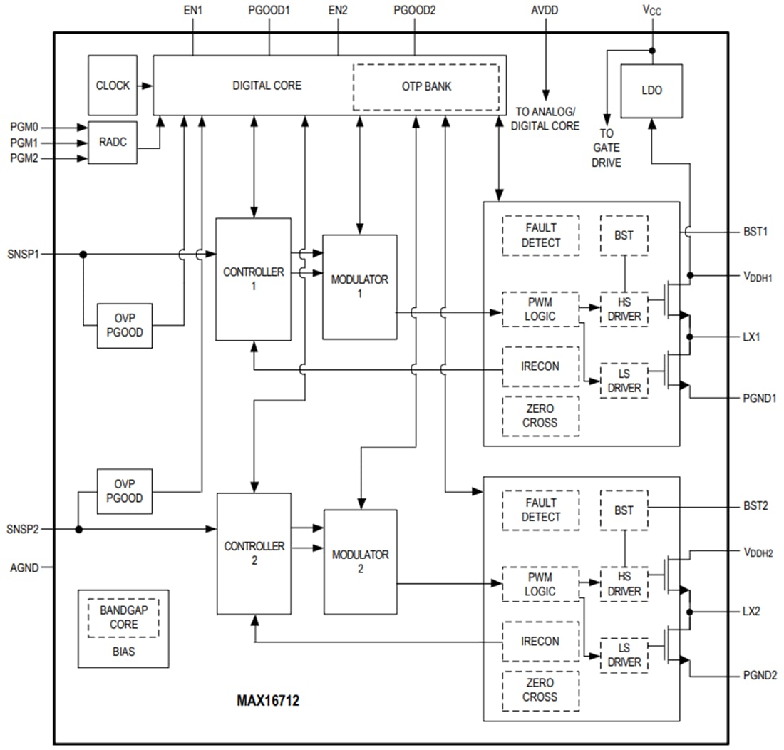
Der Analog Devices Abwärts-Schaltregler MAX16712 ist ein voll integrierter, hocheffizienter DC/DC-Abwärts-Schaltregler mit zwei Ausgängen. Der Baustein arbeitet mit Eingangsspannungen von 2,7 V bis 16 V, und jeder Ausgang kann von 0,5 V bis 5,8 V geregelt werden. Der IC liefert einen Laststrom von bis zu 6 A pro Ausgang. Die zwei Ausgänge können als Zweiphasen-Regler mit einem Einfachausgang, der einen Laststrom von bis zu 12 A unterstützt, parallelgeschaltet werden.Die Schaltfrequenz des Geräts kann von 500 kHz bis 2,0 MHz konfiguriert werden. Es bietet die Möglichkeit, das Design im Hinblick auf Lösungsgröße und Leistung zu optimieren. Der MAX16712 verwendet eine Festfrequenz-Stromregelung mit interner Kompensation. Die Dual-Schaltregler werden bei 180° phasenversetzt betrieben. Der IC verfügt über ein fortschrittliches Modulationsschema (AMS) und einen wählbaren diskontinuierlichen Strommodus (DCM) zur Verbesserung der Leistung. Betriebseinstellungen und konfigurierbare Funktionen können auch durch Anschließen eines Pin-Strap-Widerstands zwischen dem PGM0-Pin und Masse ausgewählt werden.
Der MAX16712 von Analog Devices verfügt über einen internen 1,8-V-LDO-Ausgang zur Versorgung der Gate-Treiber (VCC) und der internen Schaltungen (AVDD). Das Modul enthält mehrere Schutzfunktionen, einschließlich positiver und negativer Überstrom-, Ausgangs-Überspannungs- und Übertemperaturschutz für ein robustes Design. Der Baustein ist in einem kompakten 2,2 mm x 3,5 mm großen Wafer-Level-Package (WLP) erhältlich. Er unterstützt den Betrieb bei einer Sperrschichttemperatur von -40 °C bis +125 °C.
Merkmale
- Hohe Leistungsdichte mit einer niedrigen Anzahl Komponenten
- Dual-Ausgang oder Zweiphasen-Betrieb
- Einzelversorgungsbetrieb mit integriertem LDO für die Vorspannungserzeugung
- Kompakte 2,2 mm x 3,5 mm, 28-Bump WLP
- Interne Kompensation
- Großer Betriebsbereich
- Eingangsspannungsbereich: 2,7 V bis 16 V
- Ausgangsspannungsbereich: 0,5 V bis 5,8 V
- 500 kHz bis 2 MHz konfigurierbare Schaltfrequenz
- Sperrschichttemperaturbereich: -40 °C bis +125 °C
- Drei Programmierpins zur Auswahl verschiedener Konfigurationen
- Unabhängige Freigabe und Power-Good für alle Ausgänge
- Optimierte Leistungsfähigkeit und Wirkungsgrad
- Spitzenwirkungsgrad von 90,5 % mit VDDH = 12 V, VOUT = 1,8 V und fSW = 1 MHz
- Verschachtelter, phasenversetzter Betrieb von 180°
- Wählbare AMS zur Verbesserung des Lasttransienten
- Wählbarer DCM zur Verbesserung des Wirkungsgrads bei geringer Last
- Aktiver Stromausgleich für einen Zweiphasen-Betrieb
Applikationen
- Kommunikationsgeräte
- Netzwerkausstattung
- Server und Speichergeräte
- Point-of-Load (POL) Spannungsregler
- μP-Chipsätze
- Speicher VDDQ
- I/O-Pins eines FPGA/DSP/MCUs
Blockdiagramm
