Analog Devices / Maxim Integrated MAX17509 DC/DC-Abwärtswandler

Der Maxim MAX17509 DC/DC-Abwärtswandler ist ein Synchronwandler mit programmierbarem Widerstand und hohem Wirkungsgrad. Der MAX17509 kann auf zwei unabhängige Ausgänge (3 A/3 A) oder einen Dualphasen-Einfachausgang (6 A) konfiguriert werden. Dieser Wandler bietet bei einer 20mV-Auflösung einen Ausgangsspannungsbereich von 0,904 V bis 3,782 V und 4,756 V bis 5,048 V. Durch den Anschluss von Widerständen an die Konfigurationspins stellt dieses Bauteil die Flexibilität von mehreren programmierbaren Optionen zur Verfügung.

The Analog Devices MAX17509 Step-Down DC-DC Converter is available in a 5mm x 5mm Thin Quad Flat No-Lead (TQFN) package with an exposed pad for enhanced thermal performance. The device operates over the -40°C to +125°C temperature range, with thermal sensing and shutdown provided for overtemperature (OT) protection.

Merkmale

  • Reduziert die Anzahl DC/DC-Regler im Bestand
  • Ausgangsspannung (0,904 V bis 3,782 V und 4,756 V bis 5,048 V mit einer Auflösung von 20 mV)
  • Zwei konfigurierbare, unabhängige Ausgänge (3 A/3 A) oder ein Dualphasen-Einfachausgang (6 A).
  • Reduziert Rauschen und EMI
  • Anpassbare Schaltfrequenz mit auswählbarem 0/180° Phasensprung
  • Externe Frequenzsynchronisierung
  • Erfüllt die EN55022 (CISPR22) Klasse-B-Standards für abgestrahlte und leitungsgeführte EMI
  • Einstellbare Schaltanstiegsrate
  • Zuverlässiger Betrieb
  • Robuster Fehlerschutz (VIN_UVLO, UV/OV, UC/OC, OT)
  • Power-Good
  • Einfaches Systemdesign
  • Vollkeramikkondensator-Lösung
  • Automatisch konfigurierte interne Kompensation
  • Auswählbarer Hiccup- oder Brickwall-Modus
  • Anpassbare Anstiegs-/Abstiegszeit beim Sanftanlauf mit Soft-Stopp-Modi und Vorspannungsstart
  • Betrieb bei -40 °C bis +125 °C

Applikationen

  • FPGA- und DSP-Coreleistung
  • Ausrüstungen für Industriesteuerungen
  • Mehrere Punktlast-Netzteile (POL)
  • Basisstation-Punktlast-Regler

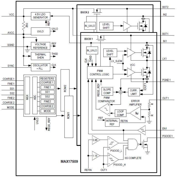
Funktionales Blockdiagramm

Blockdiagramm - Analog Devices / Maxim Integrated MAX17509 DC/DC-Abwärtswandler
Veröffentlichungsdatum: 2016-03-04 | Aktualisiert: 2023-04-12