Analog Devices / Maxim Integrated MAX17524 Synchroner DC-DC-Abwärtswandler
Der Maxim Integrated MAX17524 synchrone DC/DC-Abwärtswandler ist ein Hochspannungswandler mit hohem Wirkungsgrad und integrierten High-Side-MOSFETs. Das Gerät wird über einen breiten Eingangsspannungsbereich von 4,5 V bis 60 V betrieben. Das Bauteil liefert an jedem Ausgang bis zu 3 A und erzeugt Ausgangsspannungen von 0,9 V bis zu 90 % VIN.Merkmale
- Verringert die Anzahl externer Komponenten und die Gesamtkosten
- Kein Synchronisationsbetrieb durch Schottky
- Integrierte Ausgleichskomponenten
- Voll-Keramikkondensatoren, kompaktes Layout
- Verringert die Anzahl der DC-DC-Regler, die auf Lager gehalten werden müssen
- Breiter Eingang von 4,5 V bis 60 V
- Ausgangsspannungsbereich einstellbar von 0,9 V bis 90 % VIN
- Liefert bis zu 3 A bei jedem Ausgang über den Temperaturbereich
- 100 kHz bis 1,1 MHz anpassbare Frequenz mit externer Takt-Synchronisation
- Erhältlich in einem 32-Pin, 5 mm x 5 mm TQFN-Gehäuse
- Unabhängige Eingangsspannungs-Pins für jeden Ausgang
- Reduziert die Verlustleistung
- Spitzenwirkungsgrad von 90,3 %
- PFM-/DCM-Modi ermöglichen einen erweiterten Wirkungsgrad bei niedriger Last
- Hilfs-Bootstrap-Versorgung (EXTVCC) für einen verbesserten Wirkungsgrad
- 5,2 μA Abschaltstrom
- Zuverlässiger Betrieb in widrigen Industrieumgebungen
- Hiccup-Modus-Überlastschutz
- Unabhängiger einstellbarer Soft-Start-Pin und programmierbarer EN/UVLO-Pin für jeden Ausgang
- Monotones Einschalten mit vorgespannter Ausgangsspannung
- Eingebaute Ausgangsspannungsüberwachung mit RESET für jeden Ausgang
- Übertemperaturschutz
- Hochindustrieller Umgebungsbetriebstemperaturbereich (-40 °C bis +125°C) / Sperrschichttemperaturbereich (-40°C bis +150°C)
Applikationen
- Industrielle Steuerungen und Netzteile
- Allzweck-Point-of-Load (POL)
- Verteilte Versorgungsregulierung
- Leistungsversorger für Basisstation
- Regulierung des Wandtransformators
- Hochspannungs-Einzelplatinen-Systeme
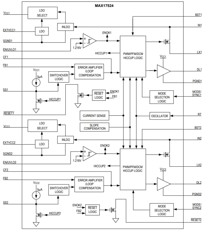
Blockdiagramm
Veröffentlichungsdatum: 2018-04-09
| Aktualisiert: 2023-04-11
