Analog Devices / Maxim Integrated MAX17631 Synchroner DC/DC-Abwärtswandler
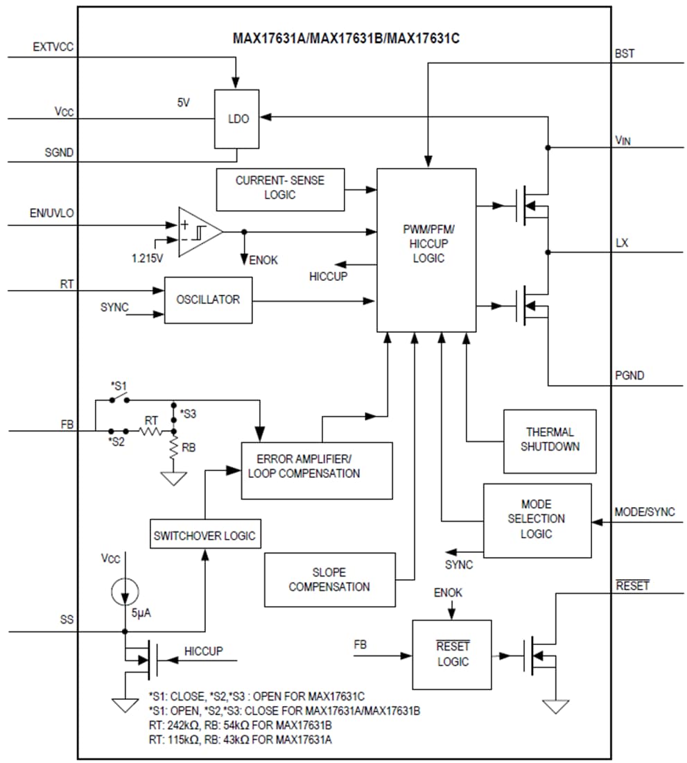
Der Maxim MAX17631 Synchrone DC/DC-Abwärtswandler wird mit integrierten MOSFETs geliefert und über einen Eingangsspannungsbereich von 4,5 V bis 36 V betrieben. Der Wandler kann einen Strom von bis zu 1,5 A liefern. Der MAX17631 ist in drei Ausführungen erhältlich: MAX17631A, MAX17631B und MAX17631C. Die MAX17631A und MAX17631B sind Bauteile mit festem 3,3-V- bzw. festem 5-V-Ausgang. Der MAX17631C ist ein Bauteil mit einstellbarer Ausgangsspannung (von 0,9 V bis auf 90 % des VIN). Eine integrierte Kompensation für den Ausgangsspannungsbereich beseitigt die Notwendigkeit für externe Komponenten.Der MAX17631 verfügt über eine Spitzenstrommodus-Steuerungsarchitektur. Das Bauteil kann im erzwungenen Pulsbreitenmodulations(PWM)-, Pulsfrequenzmodulations(PFM)- oder diskontinuierlichen Leitungs(DCM)-Modus betrieben werden, um einen hohen Wirkungsgrad bei Volllast- und Leichtlastbedingungen zu ermöglichen. Der MAX17631 bietet eine minimale Einschaltzeit, die höhere Schaltfrequenzen und eine kleinere Lösungsgröße ermöglicht. Die Rückkopplungs-Spannungsregelungsgenauigkeit über -40 °C bis +125 °C für den MAX17631A/MAX17631B/MAX17631C liegt bei ±1,2 %.
Merkmale
- Reduziert die Anzahl externer Komponenten und die Gesamtkosten
- Kein Synchronisationsbetrieb durch Schottky
- Integrierte Kompensationskomponenten
- Vollkeramik-Kondensatoren, kompaktes Layout
- Verringert die Anzahl der zu lagernden DC/DC-Regler
- Großer Eingangsbereich von 4,5 V bis 36 V
- Ausgangsspannungsbereich einstellbar von 0,9 V bis 90 % von VIN
- Liefert bis zu 1,5 A über den Temperaturbereich
- 400 kHz bis 2,2 MHz anpassbare Frequenz mit externer Taktsynchronisierung.
- Erhältlich in einem 16-Pin-TQFN-Gehäuse von 3 mm x 3 mm
- Reduziert die Verlustleistung
- Spitzenwirkungsgrad von 95 %
- PFM- und DCM-Modi ermöglichen einen erweiterten Wirkungsgrad bei geringer Last
- Hilfs-Bootstrap-Versorgung (EXTVCC) für einen verbesserten Wirkungsgrad
- Abschaltstrom: 2,8 µA
- Zuverlässiger Betrieb in widrigen Industrieumgebungen
- Hiccup-Modus-Überlastschutz
- Verstellbares und monotones Einschalten mit vorgespannter Ausgangsspannung
- Eingebaute Ausgangsspannungsüberwachung mit RESET
- Programmierbarer EN-/UVLO-Schwellenwert
- Übertemperaturschutz
- Hoher Industrie-Umgebungsbetriebstemperaturbereich (-40 °C bis +125 °C)/Sperrschichttemperaturbereich (-40 °C bis +150 °C)
Applikationen
- Netzteile für die Industriesteuerung
- Universal-Punktlast
- Verteilte Versorgungsregelung
- Netzteile für Basisstation
- Regelung des Wandtransformators
- Hochspannungs-Einzelboard-Systeme
Funktionsdiagramm
Veröffentlichungsdatum: 2019-12-03
| Aktualisiert: 2023-05-05
