Analog Devices / Maxim Integrated MAX17686 Isolierter DC/DC-Abwärtswandler
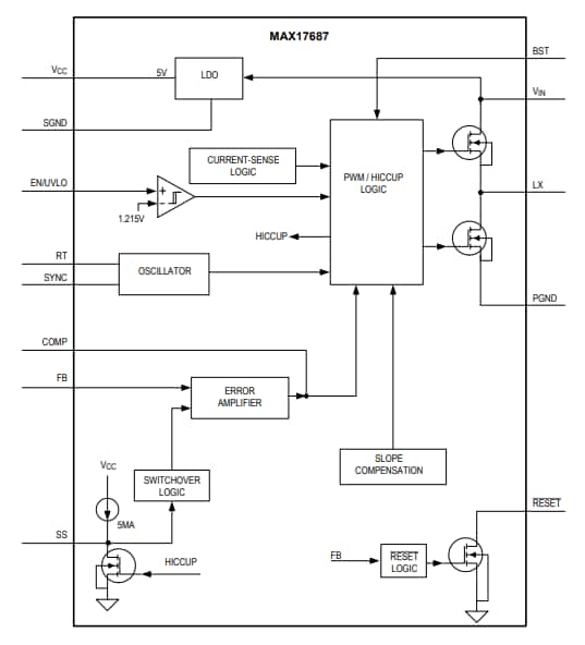
Der Maxim Integrated MAX17687 isolierte DC/DC-Abwärtswandler ist ein ultra-kleines Hochspannungs-Bauteil mit hohem Wirkungsgrad und einem Eingang von 4,5 V bis 60 V, das für die Bereitstellung einer isolierten Leistung von bis zu 10 W ausgelegt ist. Dieser DC/DC-Wandler nutzt eine primärseitige Rückkopplung zur Regelung der Ausgangsspannung und bietet einen primären Spitzenstrom von bis zu 3,2 A. Die primäre Ausgangsspannung ist bis innerhalb von ±1,2 % geregelt. Der MAX17687 Wandler bietet eine Spitzenstromregelung mit Pulsbreitenmodulationsschema (PWM). Das Bauteil verfügt über On-Chip-MOSFETs mit niedrigem Widerstand, die einen hohen Wirkungsgrad bei Volllast gewährleisten und das Layout vereinfachen.Merkmale
- Macht externe Komponenten überflüssig und verringert die Gesamtkosten:
- Synchroner Primärbetrieb für einen hohen Wirkungsgrad und reduzierte Kosten
- Vollkeramikkondensatoren und ultra-kompaktes Layout
- Unterstützt zahlreiche isolierte DC/DC-Applikationen
- Großer Eingangsspannungsbereich von 4,5 V bis 60 V
- Liefert einen Spitzenstrom von bis zu 3,2 A
- Anpassbare Frequenz mit externer Synchronisation von 100 kHz bis 500 kHz
- In einem 20-Pin-TQFN-Gehäuse von 4 mm x 4 mm verfügbar
- Reduziert die Verlustleistung:
- Spitzenwirkungsgrad: >90 %
- 2,8 μA Abschaltstrom (typisch)
- Zuverlässiger Betrieb in widrigen Industrieumgebungen:
- Hiccup-Modus-Strombegrenzung und automatische Startwiederholung
- Programmierbarer EN-/UVLO-Schwellenwert
- Einstellbarer Soft-Start
- Umgebungsbetriebstemperaturbereich: -40 °C bis 125 °C
- Sperrschichttemperaturbereich: -40 °C bis 150 °C
Applikationen
- Industrieprozesssteuerung
- Kommunikations-Hub in Smart Meter
- Isolierte Netzteile in medizinischen Geräten
- Potenzialfreie Stromversorgungs-Generierung
Applikations-Schaltung
Blockdiagramm
Additional Resources
Veröffentlichungsdatum: 2019-05-27
| Aktualisiert: 2023-04-17
