Analog Devices Inc. MAX17691A und MAX17691B Isolierte Sperrwandler
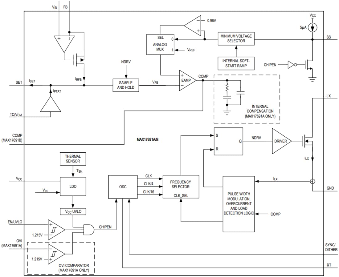
Analog Devices Inc. MAX17691A und MAX17691B Isolierte Sperrwandler sind integrierte No-Opto-nMOSFET-Sperrwandler mit hohem Wirkungsgrad, die eine Festfrequenz-Spitzenstromregelung verwenden. Die Bauteile erfassen die isolierte Ausgangsspannung direkt von der primärseitigen Flyback-Wellenform während der Ausschaltzeit des integrierten nMOSFETs. Es sind kein sekundärseitiger Fehlerverstärker und kein Optokoppler erforderlich, um eine genaue, isolierte, geregelte Ausgangsspannung zu liefern. Dies spart bis zu 20 % Platz auf der PCB, der in der Regel für einen herkömmlichen Sperrwandler benötigt wird.Die MAX17691A und MAX17691B von Analog Devices verfügen über einen niedrigen RDS(ON), einen integrierten nMOSFET-Primärschalter von 76 V, 170 mΩ und sind für den Betrieb in einem großen Versorgungsbereich von 4,2 V bis 60 V ausgelegt. Die Schaltfrequenz dieser Bauteile ist von 100 kHz bis 350 kHz programmierbar. Eine EN/UVLO-Funktion ermöglicht es dem Benutzer, den Leistungswandler genau bei der gewünschten Eingangsspannung ein- und auszuschalten. Der Eingangsüberspannungsschutz kann mit dem OVI-Pin (nur MAX17691A) implementiert werden. Der Soft-Start begrenzt den Einschaltstrom beim Hochfahren. Der MAX17691A und MAX17691B unterstützt die externe Taktsynchronisierung, um eine niedrige „Schwebungsfrequenz“ auf dem Eingangsbus in Systemen mit mehreren Wandlern zu vermeiden. Darüber hinaus verfügen diese Bauteile über ein programmierbares Frequenzdithering für einen Frequenzspreizungsbetrieb mit niedriger EMI.
Der MAX17691A und MAX17691B ermöglicht eine Temperaturkompensation für Änderungen des Durchlass-Spannungsabfalls der Ausgangsgleichrichterdiode. Der MAX17691A ist intern für die Schleifenstabilität kompensiert, während der MAX17691B eine externe Schleifenkompensationsflexibilität bietet. Der MAX17691A und MAX17691B verfügt über einen robusten Hiccup-Schutz sowie einen thermischen Schutz und ist in einem platzsparenden 12-Pin-TDFN-Gehäuse von 3 mm x 3 mm mit einem Temperaturbereich von -40 °C bis +125 °C verfügbar.
Merkmale
- Reduziert die Anzahl externer Komponenten und die Gesamtkosten
- Eliminiert den Optokoppler und sekundärseitigen Fehlerverstärker
- Bis zu 20 % Platzersparnis
- Integrierter nMOSFET von 76 V mit niedrigem RDS(ON)
- Interne Schleifenkompensation (nur MAX17691A)
- Integrierter Soft-Start
- Reduziert die Verlustleistung
- Wirkungsgrad von > 90 %
- Liefert eine Ausgangsleistung von bis zu 7,5 W
- Frequenz-Foldback ermöglicht einen verbesserten Wirkungsgrad bei leichter Last
- Abschaltstrom: 2,5 µA
- Unterstützt die wichtigsten Designanforderungen auf Systemebene
- Programmierbares Frequenzdithering für einen Frequenzspreizungsbetrieb mit niedriger EMI
- Synchronisierung der Schaltfrequenz
- Erfüllt die EMI-Anforderungen der Klasse B CISPR22
- Zuverlässiger Betrieb in widrigen Umgebungen
- Optionale Ausgangsspannungs-Temperaturkompensation
- Hiccup-Strombegrenzungsschutz
- Programmierbare EN/UVLO-Schwelle
- Schutz vor Eingangsüberspannungen (OVI) (nur MAX17691A)
- Übertemperaturschutz
- Hoher Industrie-Umgebungsbetriebstemperaturbereich von -40 °C bis +125 °C.
- Sperrschichttemperaturbereich: -40 °C bis +150 °C
Applikationen
- Isolierte Netzteile
- SPS-I/O-Module
- IGBT-Gate-Drive-Versorgungen
- Industrie und Telekommunikation
Funktionales Blockdiagramm
