Analog Devices Inc. MAX20012B Automotive-Abwärtsregler
Analog Devices Inc. MAX20012B Automotive-Abwärtsregler werden mit einem Eingangsspannungsbereich von 3,0 V bis 5,5 V betrieben und bieten einen Ausgangsspannungsbereich von 0,5 V bis 1,5875 V. Dieser Zweikanal-Controller ermöglicht einen Laststrom von bis zu 12 A pro Phase. Kanal 1 verfügt über die Option, mit zwei Phasen zu arbeiten, um einen höheren Laststrom zu liefern. Dadurch eignet sich dieses Bauteil hervorragend für Punktlast(PoL) -Fahrzeuganwendungen und Nachregelungs-Applikationen.Der MAX20012B erzielt einen Ausgangsfehler von ±2 % über Last, Leitung und Temperaturbereiche. Der IC verfügt über einen Festfrequenz-PWM-Modus von 2,2 MHz für eine bessere Rauschimmunität und ein besseres Lasteinschwingverhalten sowie über einen Pulsfrequenzmodulationsmodus (Skip) für einen erhöhten Wirkungsgrad während einem Betrieb mit leichter Last. Der Frequenzbetrieb von 2,2 MHz ermöglicht die Verwendung aller Keramikkondensatoren und reduziert die Anzahl externer Komponenten. Die programmierbare Frequenzspreizungsmodulation reduziert abgestrahlte elektromagnetische Emissionen.
Der MAX20012B wird mit werkseitig voreingestellten Ausgangsspannungen angeboten (siehe Auswahlhilfe für Optionen). Eine I2C-Schnittstelle unterstützt eine dynamische Spannungsanpassung mit programmierbaren Anstiegsraten für jeden Kanal. Andere Funktionen umfassen einen programmierbaren Soft-Start sowie einen Überstrom- und Übertemperaturschutz.
Der MAX20012B Abwärtsregler wird in einem 32-Pin-TQFN-Gehäuse (Thin Quad Flat No Leads, TQFN) mit freiliegendem Pad angeboten und ist für Fahrzeuganwendungen AEC-Q100-qualifiziert.
Merkmale
- Zweikanal-DC/DC-Wandler mit hohem Wirkungsgrad in einer kleinen Lösungsgröße
- Betriebsversorgungsspannung: 3,0 V bis 5,5 V
- OUT1 unterstützt 24 A mit zwei Außenleitern
- OUT2 unterstützt 12 A
- Regler mit hoher Genauigkeit für Applikationsprozessoren
- ±2 % Ausgangsspannungsgenauigkeit
- Differential-Fernspannungserkennung
- I2C-gesteuerte Ausgangsspannung in 10-mV-Schritten: 0,5 V bis 1,27 V
- 0,625 V bis 1,5875 V in 12,5-mV-Schritten
- Hervorragendes Last-Einschwingverhalten
- Rauscharme Funktionen reduzieren EMI
- Betrieb bei 2,2 MHz
- Frequenzspreizungsoption
- Frequenzsynchronisierungs-Ein-/Ausgang
- Strommodus-, erzwungener PWM- und Skip-Betrieb
- Robust für die Automotive-Umgebung
- Individuelle Freigabeeingänge und PGOOD-Ausgänge
- Externe FETs mit niedrigem RDS(ON)
- Übertemperaturschutz und Kurzschluss-Sicherung
- Betriebstemperaturbereich: -40 °C bis +125 °C
- TQFN-EP-32-Gehäuse (5 mm × 5 mm)
- AEC-Q100-qualifiziert
- Bleifrei und RoHS-konform
Applikationen
- Automobil-Applikationen
- Core-Prozessorsystem/GPU-Leistung
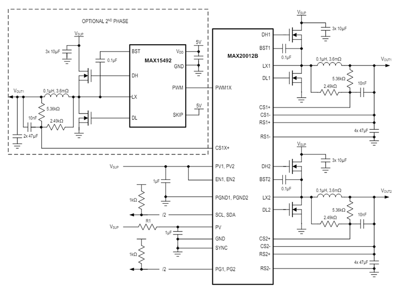
Typische Anwendungsschaltung
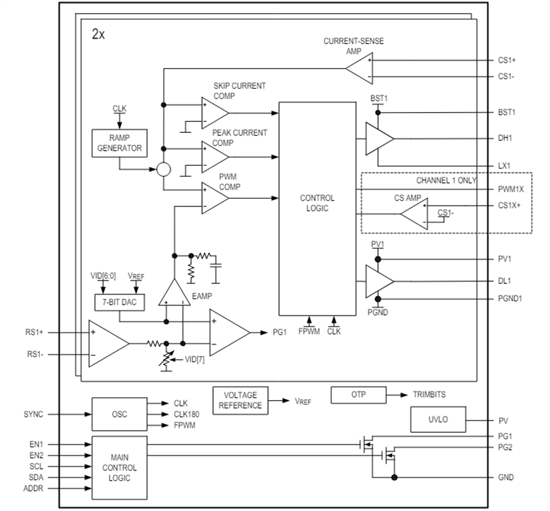
Internes Blockdiagramm
