Analog Devices / Maxim Integrated MAX20090 Hochspannungstreiber für LEDs mit hoher Helligkeit
Der Maxim MAX20090 Automotive-Hochspannungscontroller für LEDs mit hoher Helligkeit steuert verschiedene Beleuchtungsapplikationen in Fahrzeugen. Der Controller ist ein Einkanal-LED-Treiber für Frontscheinwerfer-Applikationen, wie z. B. Fernlicht, Abblendlicht, Tagfahrlicht (DRLs), Blinker, Nebelscheinwerfer und andere LED-Lampen. Der MAX20090 kann eine Eingangsspannung von 5 V bis 65 V aufnehmen und eine Kette von LEDs mit einer maximalen Ausgangsspannung von 65 V ansteuern. Der MAX20090 erkennt den Ausgangsstrom an der High-Side der LED-Kette. Der Pulsbreitenmodulations(PWM)-Eingang bietet LED-Verdunkelungsverhältnisse von bis zu 1.000:1 und der ICTRL-Eingang bietet eine zusätzliche analoge Verdunkelungsfunktion im Controller. Darüber hinaus ermöglicht das Bauteil eine integrierte Frequenzspreizungs-Modulation für eine verbesserte elektromagnetische Verträglichkeit.Merkmale
- 1 x Kanal
- Ausgangsstrom: 55 mA
- Großer Eingangsspannungsbereich: +5 V bis +65 V
- Maximale Aufwärts-Ausgangsspannung: +65 V
- ICTRL-Pin für die analoge Verdunkelung
- Integrierter High-Side-Strommessverstärker
- Flexible Architektur ermöglicht eine einfache Design-Optimierung
- Programmierbare Schaltfrequenz (200 kHz bis 2,2 MHz)
- Frequenzspreizungs-Modulation zur Reduzierung von EMI-Rauschen
- Fehlerdiagnose durch Fehlererkennung
- Kurzschluss-Sicherung, Überspannungs- und thermischer Schutz
- Betriebstemperaturbereich: -40 °C bis +125 °C
Applikationen
- Automotive-Außenbeleuchtung
- Fernlicht-/Abblend-/Signal-/Positionsleuchten
- Tagfahrlampen (Daytime Running Lamps, DRL)
- Nebelscheinwerfer- und adaptive Frontscheinwerfer-Baugruppen
- Head-up-Displays
- Gewerbe-, Industrie- und Gebäudebeleuchtung
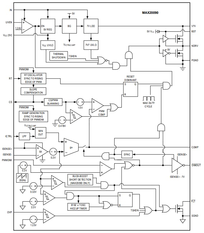
Blockdiagramm
Veröffentlichungsdatum: 2019-09-16
| Aktualisiert: 2023-04-22
