Analog Devices / Maxim Integrated MAX20096/MAX20097 LED-Controller mit hoher Helligkeit
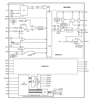
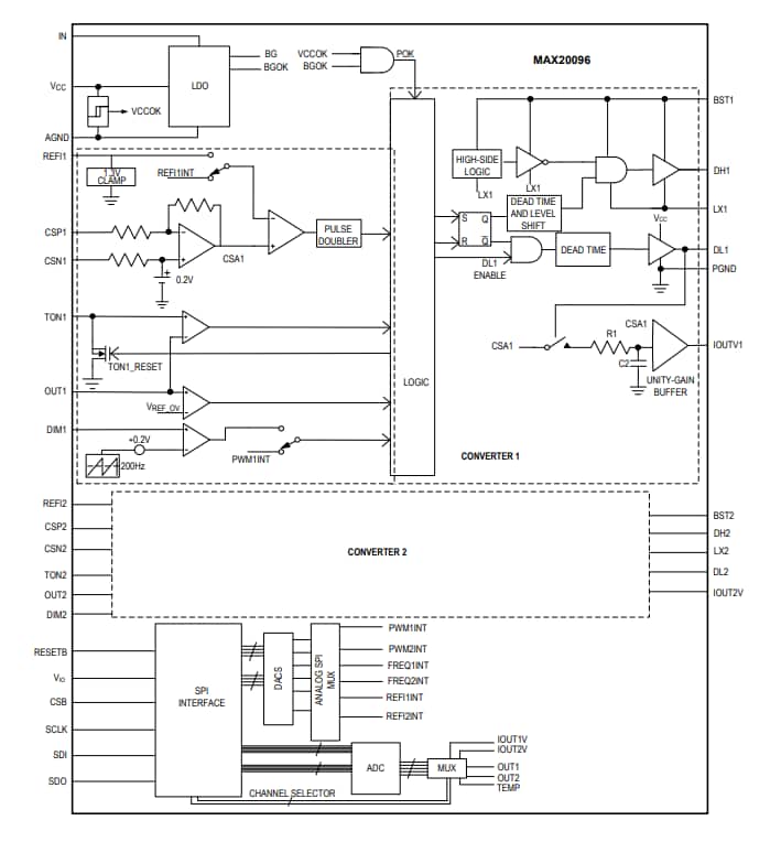
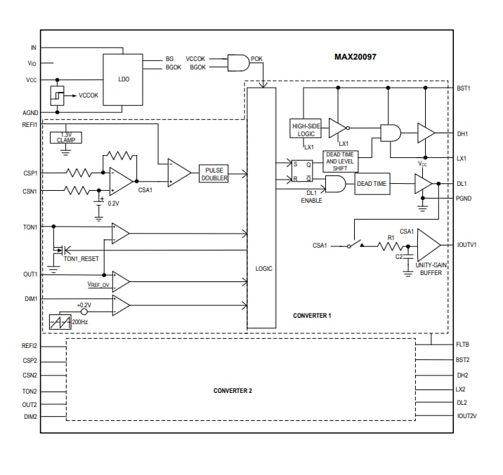
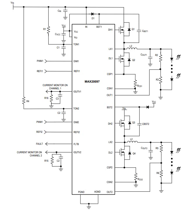
Maxim Integrated MAX20096/MAX20097 LED-Controller mit hoher Helligkeit sind synchrone Hochstrom-n-Kanal-LED-Abwärtstreiber mit zwei Kanälen und hoher Spannung. Die MAX20096/MAX20097 LED-Controller verwenden ein proprietäres durchschnittliches Strommodus-Steuerschema zur Regelung des Induktivitätsstroms. Die Aussteuerung hält eine konstante Schaltfrequenz aufrecht und erfordert keine Regelschleifenkompensation.Die Messung des Stroms im unteren Schaltbauteil ermöglicht eine Strommessung in der Induktivität. Diese ICs enthalten zwei vollständig synchrone Abwärtswandler-Controller und sind für einen Hochfrequenzbetrieb bei Schaltfrequenzen von bis zu 1 MHz ausgelegt. Die SPI-Schnittstelle kann die Ausgangsspannungen und -ströme auf beiden Kanälen sowie die Sperrschichttemperatur ablesen. Das Bauteil enthält zahlreiche Schutzfunktionen wie z. B. einen Induktivitäts-Strombegrenzungsschutz, einen Überspannungsschutz und eine thermische Abschaltung.
Der MAX20096 ist in einem platzsparenden, thermisch verbesserten seitenbenetzbaren 32-Pin-TQFN-Gehäuse (5 mm x 5 mm) untergebracht und für den Betrieb über einen Automotive-Temperaturbereich von -40 °C bis +125 °C ausgelegt. Der MAX20097 ist in einem thermisch verbesserten 28-Pin-TSSOP-Gehäuse untergebracht, verfügt aber über keine SPI-Schnittstelle. Der MAX20097 enthält eine Open-Drain-Fehler-Flag (FLTB), die im Fall einer unterbrochenen Kette, kurzgeschlossenen Kette oder bei einer Überspannungsaktivierung in einem der Kanäle oder bei einer thermischen Abschaltung niedrig geschaltet wird.
Merkmale
- Integration reduziert die BOM für LED-Treiber mit hoher Helligkeit, spart Platz und reduziert Kosten
- Großer Eingangsspannungsbereich: 4,5 V bis 65 V
- Keine Kompensationskomponenten
- Programmierbare Schaltfrequenz
- Externe MOSFETs, die für den entsprechenden Strom über die erforderliche Größe verfügen
- Großes Verdunkelungsverhältnis ermöglicht ein hohes Kontrastverhältnis
- Analoge Verdunkelung
- PWM-Verdunkelung
- Geeignet für Matrix-Beleuchtung
- Kurzschluss-Sicherung, Überspannungs- und thermischer Schutz
- Hält die Stromregelung während Kurzschluss/Unterbrechung von einzelnen LEDs der Kette aufrecht
- Regelschleife mit extrem schneller Anschwingzeit verhindert Über- und Unterschwingungen
- Schutzfunktionen und großer Temperaturbereich für eine höhere Systemzuverlässigkeit
- Betriebstemperaturbereich: -40 °C bis +125 °C
- Wärmeüberwachung und LED-Stromüberwachung
- Fehlerdiagnose über SPI-Schnittstelle und über FLTB-Pin für Applikationen ohne SPI-Schnittstelle
Applikationen
- Automotive-Außenbeleuchtung
- Fernlicht-/Abblend-/Signal-/Positionsleuchten
- Tagfahrlampen (Daytime Running Lamps, DRL)
- Nebelscheinwerfer- und adaptive Frontscheinwerfer-Baugruppen
- Gewerbe-, Industrie- und Gebäudebeleuchtung
