Analog Devices / Maxim Integrated MAX20310 PMIC mit sehr geringem Ruhestrom

Der Maxim Integrated MAX20310 PMIC mit sehr geringem Ruhestrom mit SIMO-Auf-/Abwärtswandler ist für kleine Größen und hohe Wirkungsgrade ausgelegt, wodurch er sich hervorragend für platzbeschränkte, batterie-/akkubetriebene Applikationen eignet. Der MAX20310 besteht aus zwei einzelnen Induktivitäten und Auf-/Abwärtswandler mit mehreren Ausgängen (SIMO) und zwei LDOs sowie weiteren System-Leistungsmanagement-Funktionen. Einige dieser Funktionen umfassen einen Drucktasten-Monitor, Sequenzierungscontroller, Reset-Ausgang und eine I2C-Steuer-Schnittstelle.

Aufgrund seiner Architektur, ermöglicht der MAX20310 eine Ausgangsspannung über oder unter der Batteriespannung. Mit einer Eingangsspannung bis 0,7 V kann der MAX20310 PMIC sowohl für Zink-Luft- oder Silberoxid- als auch für Alkali-Batterien eingesetzt werden. Ein programmierbarer Leistungscontroller bietet ein verzögertes Reset-Signal, eine Spannungssequenzierung und ein einstellbares Schalter-Timing für die Wiederherstellung nach einem Kaltstart. Der Controller kann den Baustein auch für Applikationen konfigurieren, die einen „True-Off“- oder „Always-On“-Zustand erfordern. Der für einen erweiterten Betriebstemperaturbereich von -40 °C bis +85 °C ausgelegte MAX20310 ist in einem 1,63 x 1,63 mm Wafer-Level-Gehäuse (WLP) erhältlich.

Merkmale

  • Erweiterte Nutzungszeit der Systembatterie
    • Einzel-Induktivitäts-Auf-/Abwärtswandler mit Mehrfachausgang (SIMO) und niedrigem Ruhestrom
      • Batterieeingangsspannung von 0,7 V bis 2,0 V
      • Programmierbare Ausgangsspannung von 0,9 V bis 4,05 V
      • 250 mW maximale Eingangsleistung
      • Inkrementelle CAP-Eigenstromaufnahme von 1 μA pro Kanal
      • 84 % Wirkungsgrad für 1,8 V, 10 mA Ausgang
      • Eingangsstrombegrenzung
    • 50mA-Dual-LDO mit sehr geringem IQ
      • Eingänge werden von Dual-Auf-/Abwärtswandler-Ausgängen versorgt
      • Programmierbarer Ausgang von 0,5 V bis 3,65 V
      • Eigenstromaufnahme von 1,1 μA pro LDO/600 nA pro Lastschalter
      • Als Lastschalter konfigurierbar
  • Verlängerte Produkthaltbarkeit
    • Batterie-Dichtungsmodus
      • 10 nA Batteriestrom (typisch)
  • Reduzierung der Boardfläche
    • WLP-Gehäuse von 1,63 mm x 1,63 mm
  • Mühelos realisierbare Systemsteuerung
    • Spannungsüberwachungs-Multiplexer
      • Batteriewechselrichter mit einer Genauigkeit von 1 % (±10 mV bei 1,0 V)
    • Leistungsschalter-Monitor
      • Gepufferter Ausgang
    • Leistungs-Sequenzierung
    • Reset-Ausgang
    • I2C-Steuerschnittstelle

Applikationen

  • Wearable Medizintechnik
  • Tragbare Fitnessgeräte
  • Tragbare Medizintechnik

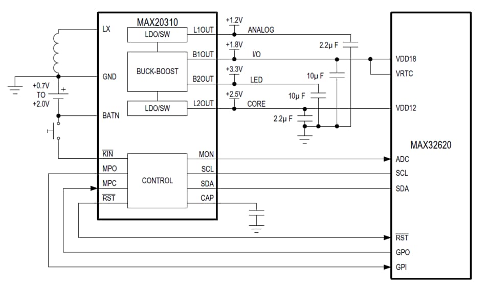
MAX20310 Applikationskreislauf

Applikations-Schaltungsdiagramm - Analog Devices / Maxim Integrated MAX20310 PMIC mit sehr geringem Ruhestrom
Veröffentlichungsdatum: 2018-04-17 | Aktualisiert: 2023-04-12