Analog Devices / Maxim Integrated MAX20336EVKIT Evaluierungskit

Das Maxim Integrated MAX20336 Evaluierungskit dient zur Demonstration des MAX20336 Beyond-the-Rails-DPST-Analogschalters. Diese vollständig bestückte und getestete Leiterplatte enthält den installierten MAX20336ENT+. Das Kit kann den VCCEN-Pin des IC von unterschiedlichen Quellen betreiben. Der IC kann extern vom TP12 auf dem MAX20336 Kit betrieben werden.

Merkmale

  • USB-Leistungsoption
  • SMA-Verbindung zum Testen
  • Bewährtes PCB-Layout
  • Vollständig bestückt und getestet

Lieferumfang Kit

  • EV-Kit-Board mit einem MAX20336 IC-Bauteil

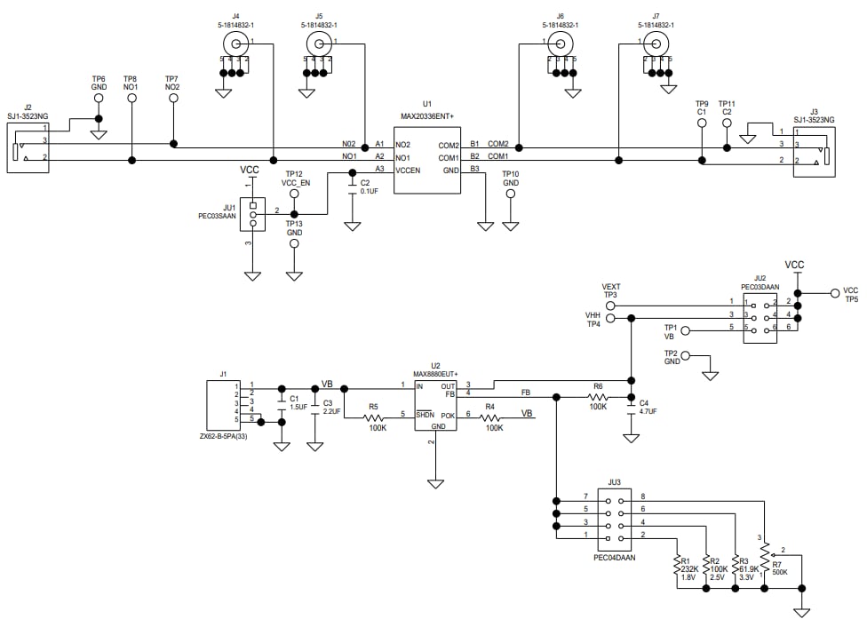
Schaltplan

Schaltplan - Analog Devices / Maxim Integrated MAX20336EVKIT Evaluierungskit
Veröffentlichungsdatum: 2019-04-25 | Aktualisiert: 2023-04-19