Analog Devices / Maxim Integrated MAX20446 Sechskanal-Hintergrundbeleuchtungstreiber

Der Maxim MAX20446 Sechskanal-Hintergrundbeleuchtungstreiber wird mit einem Boost Controller für Automotive-Displays geliefert. Die integrierten Stromausgänge können jeweils einen LED-Strom von bis zu 130 mA ableiten. Das Bauteil ermöglicht einen großen Eingangsspannungsbereich von 4,5 V bis 36 V und ist gegen direkte Automotive-Lastabwurf-Ereignisse beständig. Der interne Strommodus-DC/DC-Controller unterstützt Boost- oder SEPIC-Topologien und arbeitet in einem programmierbaren Frequenzbereich zwischen 400 kHz und 2,2 MHz. Die integrierte Frequenzspreizung sorgt für eine Reduzierung von EMI. Ein adaptives Schema zur Regelung der Ausgangsspannung reduziert die Verlustleistung in den LED-Stromsenkenpfaden. Das Bauteil verfügt über eine I2C-gesteuerte Pulsweitemodulations(PWM)- und eine Hybrid-Verdunkelung. In beiden Fällen beträgt die minimale Pulsbreite 500 ns. Die phasenverschobene Verdunkelung der Ketten ist für eine niedrigere EMI integriert.

Merkmale

  • Betrieb mit großem Spannungsbereich
    • Wird nach dem Einschalten mit einer Versorgungsspannung von bis zu 4 V betrieben
    • Übersteht einen Lastabwurf von bis zu 52 V
  • Hohe Integration
    • Eine vollständige 6-Kanallösung, einschließlich Boost Controller
    • I2C-Steuerung für eine minimale Anzahl Bauteile
  • Robust und niedrige EMI
    • Frequenzspreizungs-Oszillator
    • Phasenverschiebung
    • Schaltfrequenzbereich: 400 kHz bis 2,2 MHz
    • Ausfallsicherer Betriebsmodus mit dem FSEN-Pin
  • Vielseitiges Verdunkelungsschema ermöglicht mit dem DIM-Eingang oder I2C eine Hybrid- oder Nur-PWM-Verdunkelung
    • Verdunkelungsverhältnis: >10.000:1 mit Hybrid-Verdunkelung
    • Verdunkelungsverhältnis: 10.000:1 bei 200 Hz mit PWM-Verdunkelung
  • Vollständige Diagnosefunktionen
    • LED-Kurzschluss- und Unterbrechungs-Erkennung und -Sicherung
    • Aufwärtssusgangs-Unterspannungs- und Überspannungsschutz
    • Aufwärtsspannung
    • Einzelketten-LED-Strom
    • Thermische Abschaltung
  • Kompaktes 24-Pin-TQFN-Gehäuse (4 mm x 4 mm)

Applikationen

  • Zentrale Informationsdisplays
  • Infotainment-Displays
  • Kombi-Instrumente

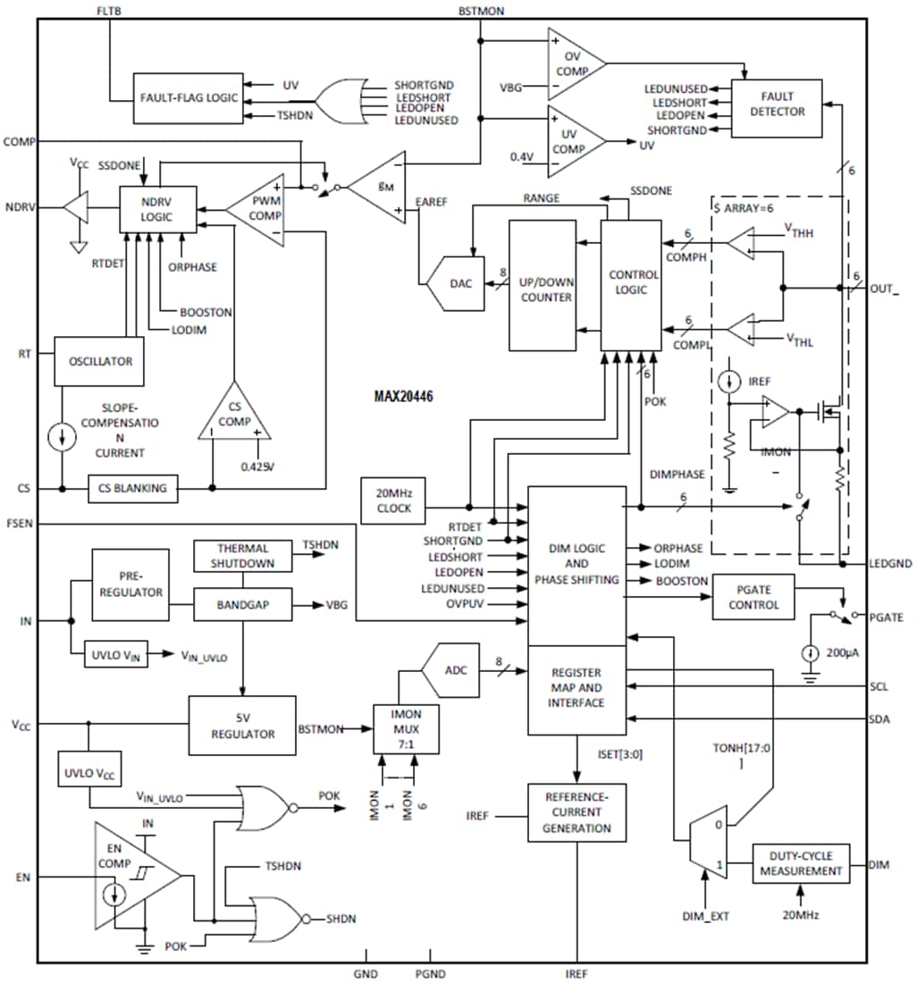
Funktionsdiagramm

Blockdiagramm - Analog Devices / Maxim Integrated MAX20446 Sechskanal-Hintergrundbeleuchtungstreiber

Videos

Veröffentlichungsdatum: 2019-11-22 | Aktualisiert: 2023-05-04