Analog Devices / Maxim Integrated MAX20457 Evaluierungskit

Das Analog Devices Inc. MAX20457 Evaluierungskit ist eine vollständig bestückte und getestete Applikations-Schaltung, die die Evaluierung des MAX20457 2,1-MHz-Abwärtswandlers vereinfacht. Der ADI MAX20457 arbeitet mit einer Eingangsspannungsversorgung von 3,5 V bis 36 V und ist in Dropout-Bedingungen bei einem Tastverhältnis von 95 % funktionsfähig. Alle installierten Bauelemente sind für den Automotive-Temperaturbereich ausgelegt und verschiedene Testpunkte und Steckbrücken sind enthalten.

Das MAX20457 Evaluierungskit von Analog Devices wird mit dem installierten MAX20457ATIE/VY+ (5 V, 3,3 V, 2,1 MHz) geliefert. Das Kit kann auch zur Evaluierung anderer MAX20457-Ausführungen mit minimalen Bauelementenänderungen verwendet werden.

Merkmale

  • Dual-Hochspannungs-Abwärtswandler mit integrierten Leistungs-FETs zur Reduzierung der Boardflächen-Belegung
  • Eingangsversorgungsbereich: 3,5 V bis 40 V
  • Buck1 bietet einen Ausgang mit einem Ausgangsstrom von 5 V bis zu 3,5 A
  • Buck2 bietet einen Ausgang mit einem Ausgangsstrom von 3,3 V bis zu 2 A
  • Buck-Ausgangsspannungen zwischen 1 V und 14 V mit externen Widerständen einstellbar
  • ±2 % Ausgangsspannungsgenauigkeit für Abwärtswandler
  • Wählbare Buck2-Eingangsquelle
  • Eingang für Frequenzsynchronisierung
  • Unabhängige Freigabeeingänge
  • PGOOD-Ausgänge zur Spannungsüberwachung
  • Steckbrücken und Testpunkte auf den Schlüsselknoten für eine vereinfachte Evaluierung
  • Bewährtes PCB-Layout
  • Vollständig bestückt und getestet

Erforderliche Ausrüstung

  • MAX20457 Evaluierungskit
  • DC-Netzteil (PS1) von 15 V, 7 A
  • Zwei Voltmeter (VM1 und VM2)
  • Zwei elektronische Lasten (EL1 und EL2)

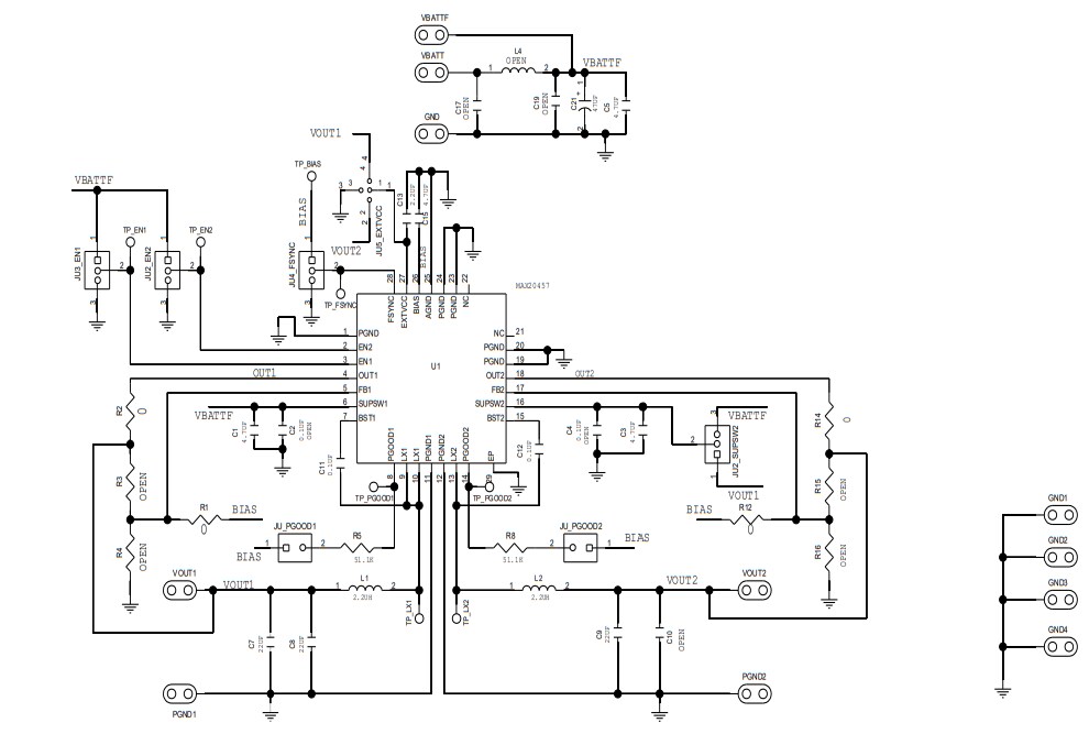
Schaltplan

Schaltplan - Analog Devices / Maxim Integrated MAX20457 Evaluierungskit
Veröffentlichungsdatum: 2021-02-08 | Aktualisiert: 2023-04-14