Analog Devices Inc. MAX22007EVKIT Evaluierungskit

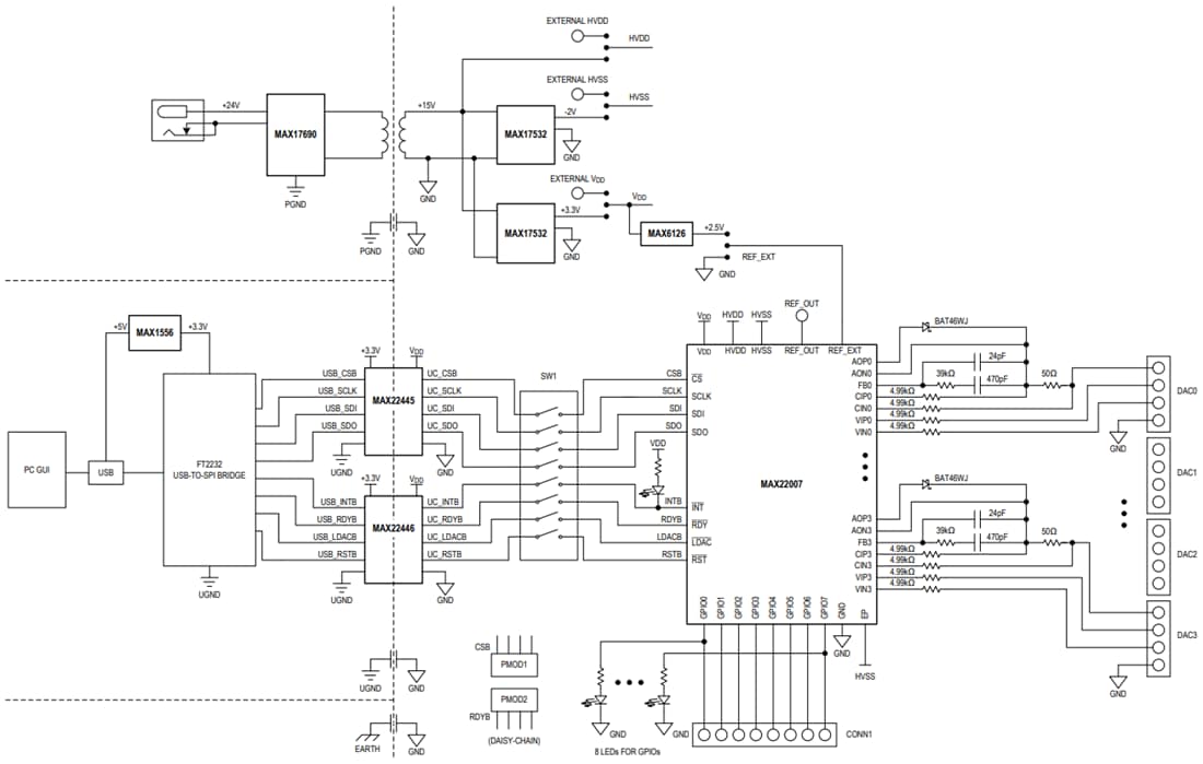
Das Analog Devices MAX22007EVKIT Evaluierungskit bietet die Hardware und Software, die zur Evaluierung des MAX22007 konfigurierbaren Industrie-Vierkanal-Analogausgangs erforderlich ist. Das MAX22007EVKIT kommuniziert über einen USB-Anschluss mit einer grafischen Benutzeroberfläche (GUI) auf einem PC. Das Evaluierungskit bietet die FT2232 On-Board-USB-zu-SPI-Brücke für die SPI-Kommunikation, ermöglicht aber auch einem externen SPI-Master die Kommunikation mit dem MAX22007 über den PMOD1-Steckverbinder. Die On-Board-DC/DC-Wandler erzeugen die erforderlichen Versorgungsspannungen, +15 V für HVDD, +3,3 V für VDD und -2 V für HVSS für den Betrieb des MAX22007. Mehrere MAX22007EVKIT-Boards können mit PMOD1- und PMOD2-Steckverbindern im Daisy-Chain-Modus verbunden werden.

Merkmale

  • Zwei zugängliche Modi
    • Analogausgangs-Spannungsmodus
    • Analogausgangs-Strommodus
  • Unterstützt die Erkennung der Lastimpedanz
  • Zugriff auf alle GPIOs
  • Windows® 10-kompatible Software
  • Bewährtes PCB-Layout
  • Vollständig bestückt und getestet

Applikationen

  • Gebäudeautomatisierungs-Analogausgänge
  • Konfigurierbare Analogausgangskarten
  • Fabrikautomatisierungs-Analogausgänge
  • Prozessautomatisierung
  • Programmierbare Logikschaltungen

Erforderliche Ausrüstung

  • MAX22007EVKIT Evaluierungskit
  • Mikro-USB-Kabel
  • DC-Netzteil von 24 V, 1 A
  • Windows 10 PC mit einem USB-Ersatzanschluss
  • Multimessgeräte

Blockdiagramm

Blockdiagramm - Analog Devices Inc. MAX22007EVKIT Evaluierungskit
Veröffentlichungsdatum: 2020-10-20 | Aktualisiert: 2024-07-15