Analog Devices Inc. MAX22088 Home-Bus-Transceiver
Analog Devices Inc. MAX22088 Home-Bus-Transceiver erfüllen die Home-Bus-Standards und übertragen Daten und Leistung auf ein Kabelpaar, während gleichzeitig der Bedarf an externen Komponenten reduziert wird. Die Baureihe eliminiert die große externe AC-Sperrinduktivität, die typischerweise in Bus-betriebenen Applikationen erforderlich ist, und verbessert die Signalqualität, um längere Kabel zu ermöglichen. Die Module verfügen über einen integrierten 5-V-Linearregler zur Stromversorgung von Systemlasten von bis zu 70 mA und unterstützen die Weiterleitung von Leistung und Daten mit Geschwindigkeiten von bis zu und über 200 kB/s. Der dynamische Kabelanschluss verbessert die Signalqualität für Applikationen mit hohen Datenraten. Die Empfängerhysterese, die Empfängerschwellenwerte und die Treiber-Anstiegsrate des MAX22088 sind einstellbar. Der integrierte Schutz gewährleistet eine robuste Kommunikation in rauen Industrieumgebungen. Die MAX22088 Homebus-Transceiver von Analog Devices Inc. verfügen über eine integrierte aktive Induktivität in einem 24-Pin-TQFN-Gehäuse von 4 mm x 4 mm.Merkmale
- Die hohe Integration reduziert die BOM und den Footprint
- Beseitigt die Notwendigkeit für eine große AC-Sperrinduktivität
- Kompaktes TQFN-Gehäuse von 4 mm x 4 mm
- Unterstützt einen externen DC/DC-Wandler für Systemlasten von mehr als 70 mA
- Die Konfigurierbarkeit ermöglicht ein flexibles Design
- Einstellbare Empfänger-Schwellenwerte
- Geschalteter Kabelanschluss
- Einstellbare Anstiegsrate auf Sendesignalen
- Große Empfänger-Hysterese
- Datenraten von 9600 bps bis ≥200 kbps
- Dynamischer Kabelanschluss verbessert die Signalqualität für Hochgeschwindigkeits-Applikationen
- Verlust-
- Leitungseingangsspannung bis zu 24 V
- Lastausgangsstrom bis zu 200 mA
- 200 kbps Datenrate über 1 km Kabel
- Zwei-Draht-Daten-über-Leitung-Kommunikation reduziert Verkabelungs- und Steckverbinderkosten
- Integrierter Schutz für eine robuste Kommunikation
- IEC 61000-4-2 ESD-Schutz von ±8 kV Kontaktentladung und ±15 kV Luftspaltentladung
- IEC61000-4-5 Überspannungsschutz von ±1 kV mit ausgewählten externen Komponenten
- Betriebstemperaturbereich: -40 °C bis +105 °C
- Übertemperaturschutz
- Daten über Leitung
- Einzelpaar zur Einsparung von Kabelkosten
- Polaritätsunabhängig für eine einfache Installation
- AC-gekoppelte Leitungen für symmetrische DC
- Multi-Knoten unterstützt komplexe Topologie
- Lange Kabellänge (bis zu 1 km), Multi-Drop (typisch 32x Knoten, bis zu 256x), niedrige Geschwindigkeit (<200 kbps) und kostengünstige Kommunikation
- Ermöglicht einen kleinen Formfaktor, eine bessere Signalqualität und eine robuste Daten-über-Leitung-Lösung
Applikationen
- HVAC
- Daten über Leitung
- Digitale Beschilderung
- Fern-Überwachung und -Erkennung
Videos
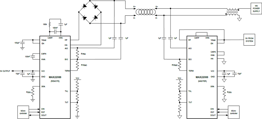
Vereinfachtes Home-Bussystem
Weitere Ressourcen
Veröffentlichungsdatum: 2020-05-11
| Aktualisiert: 2024-08-23
