Analog Devices / Maxim Integrated MAX22445 Digitaler Vierkanal-Isolator
Der Maxim Integrated MAX22445 digitale Vierkanal-Isolator ist ein verstärkter, schneller und stromsparender digitaler Isolator. Dieses Bauteil ist für die Übertragung von digitalen Signalen zwischen Schaltungen mit verschiedenen Leistungsbereichen mit 0,74 mW pro Kanal bei 1 MBit/s ausgelegt. Der MAX22445 Isolator bietet unidirektionale Kanalkonfigurationen, um alle Vierkanal-Ausführungen aufzunehmen, die SPI-, RS-485- und digitale I/O-Applikationen enthalten. Diese digitalen Isolatorkanäle sind immer aktiviert und der Standard-Status der Ausgänge dieses Bauteils ist wählbar.Der MAX22445 Isolator verfügt über eine Datenrate von entweder 25 MBit/s oder 200 MBit/s, unabhängige Versorgungen von 1,71 V bis 5,5 V auf jeder Seite des Isolators und drei Richtungskonfigurationen. Dieses Bauteil arbeitet in einem Temperaturbereich von -40 °C bis +125 °C. Der MAX22445 digitale Vierkanal-Isolator ist in einem breiten 16-Pin-SOIC-Gehäuse mit 8 mm Kriechstrecke und Abstand verfügbar. Zu den typischen Applikationen gehören eine isolierte SPI-Schnittstelle, Batteriemanagement, isolierte RS-485/RS-422 und medizinische Systeme.
Merkmale
- Nutzt die proprietäre Prozesstechnologie von Maxim
- Verstärkte galvanische Isolierung für schnelle, digitale Signale:
- Bis zu 200 MBit/s maximale Datenrate
- Hält 5 kVRMS während 60 Sek. lang stand
- Hält ununterbrochen 1.500 VRMS stand
- Hält ±10 kV Stoßstrom zwischen GNDA und GNDB mit 1,2/50 μs Wellenform stand
- Geringer Stromverbrauch:
- 0,74 mW pro Kanal bei 1 MBit/s mit 1,8 VDD
- 1,4 mW pro Kanal bei 1 MBit/s mit 3,3 VDD
- 3,2 mW pro Kanal bei 100 MBit/s mit 1,8 VDD
- Optionen zur Unterstützung einer großen Auswahl von Applikationen:
- Zwei maximale Datenraten (200 MBit/s bzw. 25 MBit/s)
- Drei Richtungskonfigurationen
- Aktive hohe oder niedrige Freigabe-Eingänge
- Zwei festgelegte Ausgangs-Standardzustände (hoch oder niedrig) oder Pin-wählbar (M/N-Versionen)
Applikationen
- Isolierte SPI-Schnittstelle
- Feldbuskommunikation für Industrieautomatisierung
- Isolierte RS-485/RS-422 und Controller Area Network (CAN)
- Batteriemanagement
- Medizinische Systeme
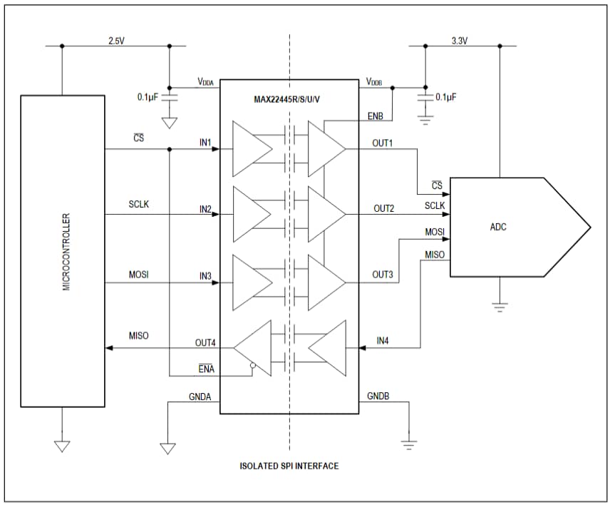
MAX22445 Applikationsdiagramm
View Results ( 13 ) Page
| Teilnummer | Datenblatt | Polung | Übertragungsgeschwindigkeit | Isolationstyp | Verzögerungszeit Übertragungs | Maximale Abfallzeit | Maximale Anstiegszeit |
|---|---|---|---|---|---|---|---|
| MAX22444CAWE+ | ![]() |
Unidirectional | 200 Mb/s | Galvanic Isolation | 6.1 ns | 3 ns | 2.4 ns |
| MAX22445EAWE+ | ![]() |
Unidirectional | 25 Mb/s, 200 Mb/s | Capacitive Coupling | |||
| MAX22441CAEE+ | ![]() |
||||||
| MAX22445FAWE+ | ![]() |
Unidirectional | 25 Mb/s, 200 Mb/s | Capacitive Coupling | 5.7 ns | 3 ns | 2.4 ns |
| MAX22446CAWE+ | ![]() |
Unidirectional | 25 Mb/s, 200 Mb/s | Capacitive Coupling | 6.1 ns | 3 ns | 2.4 ns |
| MAX22441FAEE+ | ![]() |
||||||
| MAX22446EAWE+ | ![]() |
Bidirectional | 25 Mb/s, 200 Mb/s | Galvanic Isolation | 24.2 ns | 0.8 ns | 1 ns |
| MAX22446EAWE+T | ![]() |
Bidirectional | 25 Mb/s, 200 Mb/s | Galvanic Isolation | 24.2 ns | 0.8 ns | 1 ns |
| MAX22446CAWE+T | ![]() |
Unidirectional | 25 Mb/s, 200 Mb/s | Capacitive Coupling | 12 ns | 3 ns | 2.4 ns |
| MAX22441CAEE+T | ![]() |
Veröffentlichungsdatum: 2018-06-27
| Aktualisiert: 2023-06-27

