Analog Devices / Maxim Integrated MAX22506E RS-485-/RS-422-Halbduplex-Transceiver
Der MAX22506E Halbduplex RS-485/RS-422 Transceiver von Analog Devices ist für Hochgeschwindigkeitskommunikation mit bis zu 50 Mbps optimiert. Dieser Transceiver verfügt über einen integrierten Hot-Swap-Schutz und einen ausfallsicher Empfänger, der ein High-Logikpegel auf dem Empfängerausgang gewährleistet, wenn die Signale auf dem Eingang länger als 10 μs(typisch) kurz/offen sind. Der MAX22506E Halbduplex RS-485/RS-422 Transceiver bietet einen großen Empfänger mit Hysterese, der die Rauschunterdrückung und Signalqualität verbessert.Dieser Transceiver ist in einem 8-Pin-SOIC- und 8-Pin-µMAX-Gehäuse erhältlich und für den Betrieb innerhalb eines Temperaturbereichs von -40 °C bis +125 °C ausgelegt. Der MAX22506E Transceiver ist für den Betrieb in rauen Industrieumgebungen ausgelegt und für eine robuste Kommunikation in Umgebungen mit einem hohen Maß an elektromagnetischen Störungen (EMI) optimiert. Zu den typischen Applikationen gehören Bewegungssteuerung, Encoder-Schnittstellen, Feldbus-Netzwerke, Industriesteuerungssysteme und Backplane-Busse.
Merkmale
- Integrierte Schutzfunktionen erhöhen die Stabilität:
- Gleichtaktbereich: -15 V bis +15 V
- ±15 kV ESD-Schutz (Human Body Model)
- ±7 kV IEC 61000-4-2 Luftspalt-ESD-Schutz
- ±6 kV IEC 61000-4-2 Kontaktentladungs-ESD-Schutz
- Hält über ±4 kV EFT stand
- Treiberausgänge sind gegen Kurzschluss geschützt
- Hochgeschwindigkeitsbetrieb über lange Strecken:
- Bis zu 50 MBit/s Datenrate
- Hohe Empfängerempfindlichkeit
- Große Empfänger-Bandbreite
- Symmetrische Empfängerschwellenwerte
Technische Daten
- Lagertemperaturbereich: -65 °C bis +150 °C
- Versorgungsspannungsbereich: 3 V bis 5,5 V
- -40 °C bis 125 °C Betriebstemperaturbereich
- Niedriger Abschaltstrom von 5 μA(max.)
Applikationen
- Bewegungssteuerung
- Encoder-Schnittstellen
- Feldbus-Netzwerke
- Industrie-Steuerungssysteme
- Backplane-Busse
Blockdiagramm
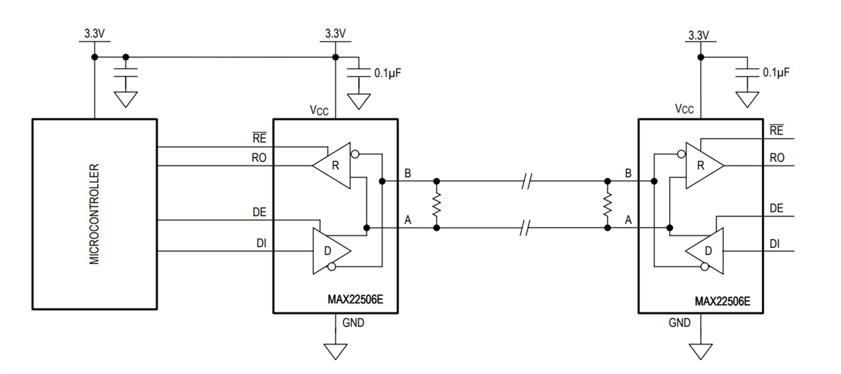
Applikations-Schaltungsdiagramm
Veröffentlichungsdatum: 2021-03-30
| Aktualisiert: 2024-05-23
