Analog Devices Inc. MAX25014 Automotive-Vierkanal-Hintergrundbeleuchtungstreiber
Der Analog Devices Inc. MAX25014 Automotive-Vierkanal-Hintergrundbeleuchtungstreiber bietet eine I2C-gesteuerte Pulsweitenmodulations(PWM)- und Hybrid-Verdunkelung und ist damit ideal für den Einsatz in Kombiinstrumenten und Infotainment-Displays. Die integrierten Stromausgänge der MAX25014 Ableitvorrichtung können jeweils einen LED-Strom von bis zu 150 mA liefern. Das Bauteil akzeptiert einen großen Eingangsspannungsbereich von 2,5 V bis 36,0 V und hält Automotive-Lastabwurfereignissen stand.Der interne stromschaltende DC/DC-Controller unterstützt Boost- oder SEPIC-Topologien und arbeitet in einem Frequenzbereich zwischen 400 kHz und 2,2 MHz. Die integrierte Frequenzspreizung sorgt für eine Reduzierung von EMI. Eine adaptive Ausgangsspannungsregelung reduziert die Verlustleistung in den LED-Stromsenkenpfaden.
Bei ausgeschalteter Hintergrundbeleuchtung und zur Abschaltung des Aufwärtswandlers bei einem Fehler ist eine Steuerung für einen externen n-MOSFET-Reihenschalter zur Reduzierung des Ruhestroms enthalten.
Der AEC-Q100-qualifizierte MAX25014 ist in einem 24-Pin-TQFN-Gehäuse erhältlich und für den Betrieb im Temperaturbereich von -40 °C bis +125 °C ausgelegt.
Merkmale
- Betrieb mit großem Spannungsbereich
- Wird nach Inbetriebnahme mit einer Versorgung von bis zu 2,5 V betrieben
- Übersteht einen Lastabwurf von bis zu 40 V
- Hohe Integration
- Vollständige Vierkanal-Lösung, einschließlich Boost Controller
- I2C-Steuerung für eine minimale Anzahl Bauteile
- Robuste und niedrige EMI
- Frequenzspreizungs-Oszillator
- Phasenverschiebung
- Schaltfrequenzbereich: 400 kHz bis 2,2 MHz
- NMOS-Eingangsschutzschalter
- Mehrere Diagnosefunktionen
- LED-Strommessung
- Messung der Aufwärts-Ausgangsspannung
- Erkennung und Schutz offener LED/Kurzschluss
- Unter- und Überspannung am Boost-Ausgang
- Vielseitiges Verdunkelungsschema ermöglicht eine Hybrid- oder eine reine PWM-Verdunkelung mit DIM-Eingang oder I2C
- Verdunkelungsverhältnis: >10.000:1 mit Hybrid-Verdunkelung
- Verdunkelungsverhältnis: 10.000:1 bei 200 Hz mit PWM-Verdunkelung
- Kompakte 24-Pin-TQFN- und SWTQFN-Gehäuse (4 mm x 4 mm)
Applikationen
- Kombiinstrumente
- Infotainment-Displays
- Zentrale Informationsdisplays
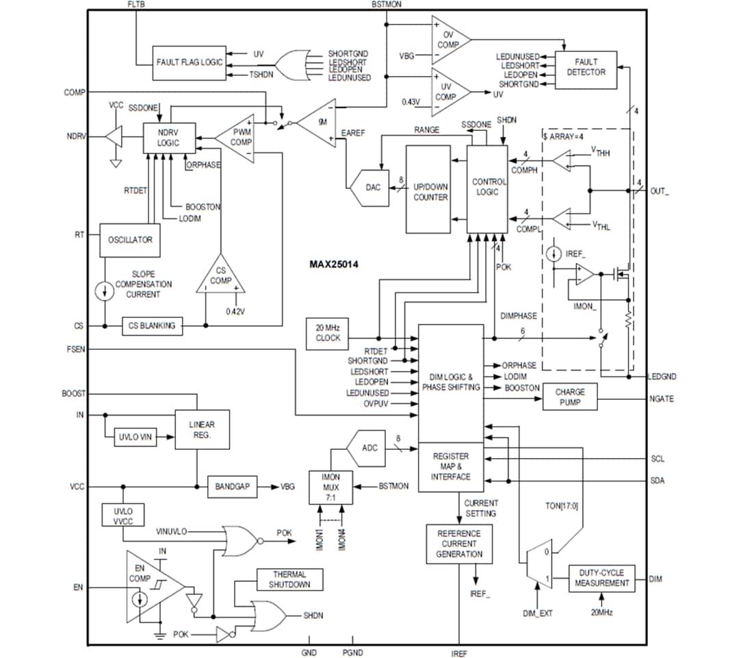
Blockdiagramm
Typische Applikations-Schaltung
Veröffentlichungsdatum: 2020-07-10
| Aktualisiert: 2024-06-03
