Analog Devices / Maxim Integrated MAX25254 Synchrone 8A-Abwärtswandler
Analog Devices MAX25254 synchrone 8-A-Abwärtswandler sind integrierte High-Side- und Low-Side-Schalter. Die ICs liefern bis zu 8 A pro Kanal mit Eingangsspannungen von 3 V bis 36 V. Die Wandler von Analog Devices verwenden bei Nulllast einen Ruhestrom von nur 12 μA. Die Spannungsqualität kann durch die Beobachtung der PGOOD-Signale überwacht werden.Merkmale
- Dual-Abwärtswandler
- Großer Eingangsbereich von 3,0 V bis 36 V (42 V, max.)
- Niedriger Abschalt-Versorgungsstrom (6,5 µA, max.)
- Niedriger Betriebsruhestrom mit einem eingeschalteten Kanal (12 µA, typisch)
- Programmierbarer VOUT von 0,8 V bis 14 V
- Bis zu 8 A pro Kanal
- Phasenversetzter Betrieb zwischen zwei Wandlern von 180°
- Minimale Einschaltzeit: 24 ns (typisch)
- Dual-/Quad-Phasenbetrieb
- Fähigkeit, zwei ICs parallel für den Vierphasen-Betrieb zu betreiben
- Stromaufteilungsgenauigkeit: ±10 %
- Unterstützt bis zu 16 A in zwei Phasen und 32 A in vier Phasen
- Diagnosefunktionen und redundante Schaltungen (MAX25255)
- ASIL-B-konform
- Redundante Referenz
- Chip-Temperatursensor
- Präziser Überspannungs- und Unterspannungsschutz
- Universal-Applikationen
- 23-Pin-FC2QFN-Gehäuse von 4,50 mm x 5,75 mm
- Umgebungsbetriebstemperatur: -40 °C bis +125 °C
- AEC-Q100-Einstufung
- Schaltfrequenzoptionen: 200 kHz, 400 kHz, 1 MHz oder 2 MHz
- Frequenzspreizung
Applikationen
- Frontend-Netzteil für Head-Units
- ASIL
- Universal-Dual-Abwärtswandler
- Telematikmodule
- Frontkameraleistung
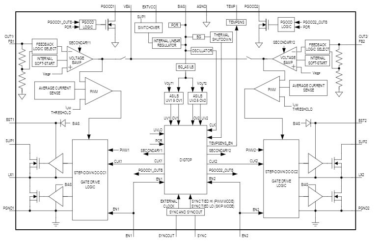
Blockdiagramm
Veröffentlichungsdatum: 2022-11-29
| Aktualisiert: 2023-04-13
