Analog Devices / Maxim Integrated MAX25262/MAX25263 Mini-Abwärtswandler für Fahrzeuge

Die MAX25262/MAX25263 2A-/3A-Mini-Abwärtswandler für Fahrzeuge von Analog Devices bieten integrierte High-Side- und Low-Side-Schalter mit einer Stromstärke von bis zu 2 A / 3 A. Der MAX25262/MAX25263 arbeitet mit einem Eingangsbereich von 3,5 V bis 65 V und verbraucht dabei nur 3,5 μ A Ruhestrom ohne Last. Die Wandler verfügen über eine minimale Einschaltdauer von 20 ns, was große Abwärtswandlungen in einer einzigen Stufe ohne Überspringen von Zyklen ermöglicht. Ein maximales Tastverhältnis von 98 % und ein niedriger High-Side-FET-ON-Widerstand ermöglichen einen Betrieb mit niedrigem Dropout für Applikationen mit niedriger Eingangsspannung. Die MAX25262/MAX25263 Mini-Abwärtswandler von Analog Devices überwachen die Spannungsqualität durch Beobachtung des PGOOD-Signals und liefern zwei feste Ausgangsspannungen von 5 V und 3,3 V. Mit einem externen Widerstandsteiler können die Bauteile außerdem für Ausgangsspannungen von 1 V bis 20 V konfiguriert werden.

Die Frequenz des MAX25262/MAX25263 ist intern auf 2,1 MHz festgelegt, was kleine externe Komponenten und eine reduzierte Ausgangswelligkeit ermöglicht und garantiert, dass keine AM-Interferenzen auftreten. Eine 400-kHz-Option ermöglicht minimale Schaltverluste und einen maximalen Wirkungsgrad. Der IC geht bei geringer Last in den Skip-Modus über, um eine hohe Effizienz bei geringer Last zu erreichen, wenn FSYNC auf Low gezogen wird. Für EMI-kritische Anwendungen ist auch ein per Pin wählbarer PWM-Modus (Forced Pulse-Width Modulation) verfügbar. Der IC wird in einem symmetrischen Flip-Chip-Gehäuse geliefert, das eine hervorragende EMI-Leistung bietet. Außerdem trägt das per Pin wählbare Spreizspektrum zur Verbesserung der EMI-Leistung bei.

Merkmale

  • Erfüllt die strengen Stromverbrauchs- und Leistungsspezifikationen der OEM-Module (Original Equipment Manufacturer)
    • 2 A/3 A Ausgangsstromfähigkeit
    • 3,5 μA Versorgungsstrom im Standby-Modus
  • Die EMI-Reduzierungsfunktionen reduzieren die Interferenz mit empfindlichen Funkbändern, ohne den breiten Eingangsspannungsbereich zu beeinträchtigen
    • Die minimale Einschaltzeit von 20 ns (typisch) garantiert einen aussetzerfreien Betrieb für einen Ausgang von 3,3 V bei 2,1 MHz und 24 Vin
    • Frequenzspreizungsoption
    • Phase-Locked-Loop (PLL)-Frequenzsynchronisation
  • Ermöglicht doppelten Batteriebetrieb
    • Breiter Eingangsversorgungsbereich von 3,5 V bis 65 V
    • Programmierbare Ausgangsspannung von 1 V bis 20 V
    • Feste 5 V-/3,3 V-/12 V-Optionen verfügbar
  • Schutzfunktionen verbessern die Zuverlässigkeit des Systems.
    • PGOOD-Ausgang und Hochspannungs-EN-Eingang vereinfachen die Leistungssequenzierung
    • Unterspannungssperre
    • Übertemperaturschutz und Kurzschlusssicherung
    • AEC-Q100-qualifiziert

Applikationen

  • Fahrzeugsysteme mit Doppelbatterie
  • Kombiinstrument für Fahrzeuge
  • Verteilte DC-Leistungssysteme
  • Navigationsgeräte und Funksysteme

Videos

Vereinfachtes Blockdiagramm

Blockdiagramm - Analog Devices / Maxim Integrated MAX25262/MAX25263 Mini-Abwärtswandler für Fahrzeuge

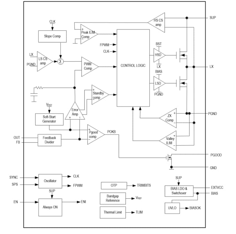
Funktionsdiagramm

Blockdiagramm - Analog Devices / Maxim Integrated MAX25262/MAX25263 Mini-Abwärtswandler für Fahrzeuge
Veröffentlichungsdatum: 2023-02-01 | Aktualisiert: 2023-04-24