Analog Devices / Maxim Integrated MAX5982x PoE Powered Device Interface Controllers
Analog Devices MAX5982A / MAX5982B / MAX5982C 70W PoE Powered Device Interface Controllers with integrated MOSFET provide a complete interface for a powered device (PD) to comply with the IEEE 802.3af/at standard in a power-over-Ethernet (PoE) system. These controllers provide the PD with a detection signature, classification signature, and an integrated isolation power switch with inrush current control. During the inrush period, these devices limit the current to less than 182mA before switching to the higher current limit (1700mA to 2100mA) when the isolation power MOSFET is fully enhanced.Analog Devices MAX5982A / MAX5982B / MAX5982C controllers feature an input UVLO with wide hysteresis and long de-glitch time to compensate for twisted-pair cable resistive drop and to assure glitch-free transition during power-on/-off conditions. These controllers detect the presence of a wall adapter power source connection and allow a smooth switch over from the PoE power source to the wall power adapter. The modules also provide a power-good (PG) signal, two-step current limit and foldback, overtemperature protection, and di/dt limit.
Features
- Sleep mode and ultra-low power sleep (MAX5982A / MAX5982B)
- IEEE 802.3af/at compliant
- 2-Event classification or an external wall adapter indicator output
- Simplified wall adapter interface
- PoE Classification 0-5
- 100V Input absolute maximum rating
- Inrush current limit of 182mA maximum
- Current limit during normal operation between 1700mA and 2100mA
- Current limit and foldback
- Legacy UVLO at 36V
- LED Driver with programmable LED current (MAX5982A / MAX5982B)
- Overtemperature protection
Applications
- IEEE 802.3af/at powered devices
- IP Phones, wireless access nodes, IP security cameras
- WiMAX™ Base stations
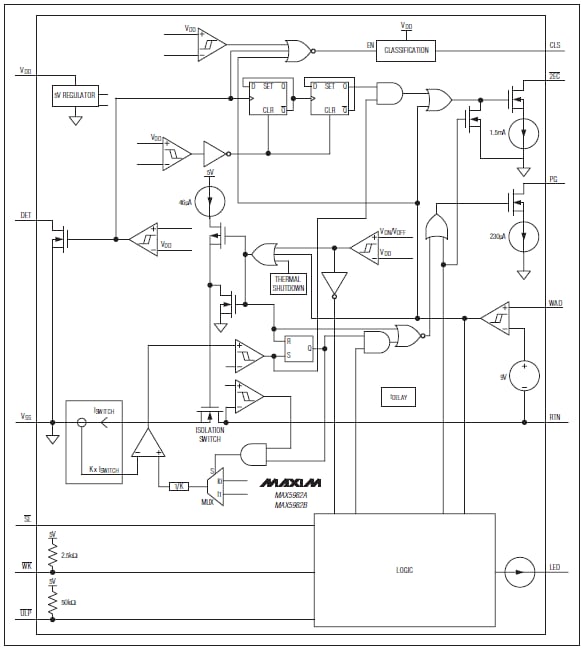
Block Diagram
Veröffentlichungsdatum: 2012-03-22
| Aktualisiert: 2023-04-21
