Analog Devices / Maxim Integrated MAX5996 IEEE® 802.3bt-konformes Powered Device

Das Analog Devices MAX5996 IEEE® 802.3bt-konforme Powered-Device erfüllt den IEEE 802.3af/at/bt-Standard in einem Power-Over-Ethernet-System (PoE ) mit Erkennungssignatur, Klassifizierungssignatur und einem integrierten Leistungsschalter mit Einschaltstromsteuerung. Der MAX5996 begrenzt den Strom während der Anlaufzeit auf 135 mA und schaltet auf eine höhere Strombegrenzung um, wenn der Leistungs-MOSFET vollständig erweitert ist. Die Bauteile verfügen über eine Multi-Ereignis-Klassifizierung, intelligente MPS, Autoklasse und einen Eingangs-UVLO mit großer Hysterese und Entstörungszeit, um einen störungsfreien Übergang während dem Ein-/Ausschalten zu gewährleisten. Der MAX5996 widersteht einer maximalen Spannung von 100 V am Eingang.

Das MAX5996 IEEE 802.3bt-konforme Powered Device von Analog Devices erkennt die Präsenz einer Wandadapterleistung und ermöglicht eine reibungslose Umschaltung von der PoE-Stromquelle zum Wandadapter. Diese Bauteile bieten außerdem ein Power-Good-Signal (PG), eine Zweischritt-Strombegrenzung und eine Foldback-Steuerung sowie einen Übertemperaturschutz.

Der MAX5996 ist in einem 16-Pin-TQFN-Leistungsgehäuse von 5 mm x 5 mm untergebracht und über einen Temperaturbereich von -40 °C bis +125 °C eingestuft.

Merkmale

  • Genaue Leistungstelemetrie (Patent angemeldet)
  • Konstante Leistungs-/Strombegrenzung (Patent angemeldet)
  • LLDP-Leistungs-/Strompegelmessung (Patent angemeldet)
  • IEEE802.3bt-konform
  • Integrierter 90-W-Isolationsschalter
  • Multi-Klassifizierung
  • Multi-Ereignis-Leistungsstufenanzeige
  • Vereinfachte Wandadapter-Schnittstelle
  • Einschaltstrombegrenzung während des Einschaltens
  • Strombegrenzung im Normalbetrieb
  • Übertemperaturschutz
  • Autoklasse
  • Wählbare grüne MPS
  • Intelligente MPS (Patent US9152161)
  • 16-Pin-TQFN von 5 mm x 5 mm

Applikationen

  • IEEE 802.3bt Powered-Devices
  • VOIP-Telefone, IP-Sicherheitskameras
  • Drahtloser Zugangspunkt
  • Kleinzelle, Picocell
  • Beleuchtung
  • Gebäudeautomatisierung

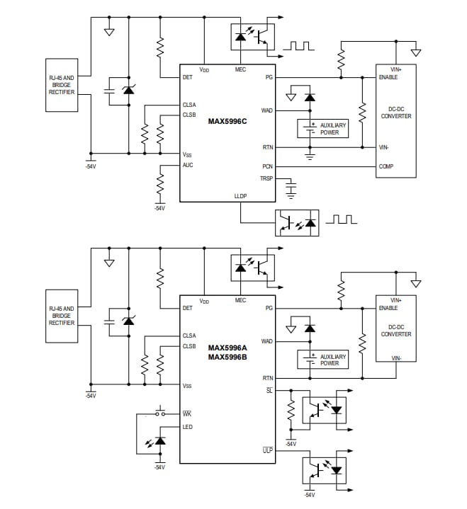
Vereinfachtes Blockdiagramm

Blockdiagramm - Analog Devices / Maxim Integrated MAX5996 IEEE® 802.3bt-konformes Powered Device
Veröffentlichungsdatum: 2021-09-28 | Aktualisiert: 2025-07-24