Analog Devices / Maxim Integrated MAX77640/MAX77641 Extrem stromsparende PMICs

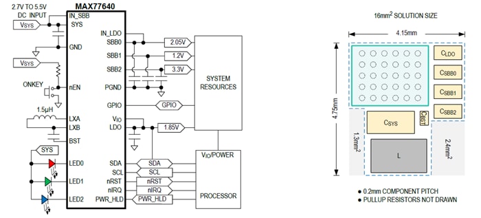
Maxim Integrated MAX77640/MAX77641 PMICs bieten extrem stromsparende Leistungslösungen für Applikationen, bei denen Größe und Wirkungsgrad entscheidend sind. Die MAX77640/MAX77641 PMICs enthalten einen Einzel-Induktivitäts-Auf-/Abwärtswandler mit Mehrfachausgang (SIMO) und drei Ausgängen, einen 150-mA-LDO, einen 3-Kanal-Stromsenken-Treiber und eine serielle I2C-Schnittstelle in einem kompakten Gehäuse mit einer Gesamtlösungsgröße von 16 mm2.

Der SIMO mit drei Ausgängen unterstützt Lasten von >300 mA (1,8 VOUT, 3,7 VIN) und wird bei einer Eingangsspannung von 2,7 V bis 5,5 V, einem Betriebsstrom von 5,6 μA und einem Abschaltstrom von 300 nA betrieben. Die Stromsenken können so programmiert werden, dass LEDs in benutzerdefinierten Mustern blinken. Die Ausgänge sind von 0,8 V bis 5,25 V entsprechend der gewählten Bestelloption unabhängig voneinander programmierbar. Der integrierte Leistungssequenzer steuert die Einschalt-/Ausschalt-Reihenfolge von jedem Ausgang. Jeder Ausgang bietet einen störungsfreien Übergang zwischen dem Abwärts- und Aufwärtsbetrieb.

Die MAX77640/MAX77641 PMICs eignen sich dank der kompakten Größe der Bauteile, einem SIMO mit drei Ausgängen, der für eine längere Batterielaufzeit ausgelegt ist sowie einem 150mA-LDO, der eine Welligkeitsunterdrückung in rauschempfindlichen Applikationen bietet, ideal für Hearables, Wearables und Internet-of-Things-Gadgets (IoT).

Merkmale

  • Kompakte Leistungslösung mit hohem Wirkungsgrad
    • Einzel-Induktivitäts-Auf-/Abwärtswandler mit Mehrfachausgang (SIMO) und drei Ausgängen
    • 150mA-LDO
    • Dreikanal-Stromsenken-Treiber
    • Flexible Leistungs-Sequenzierung
    • GPIO- und Reset-Ausgang
  • SIMO mit drei Ausgängen verlängert die Lebensdauer der Batterie
    • Eingangsspannungsbereich von 2,7 V bis 5,5 V von Einzellen-Li-Ion
    • Ausgangsspannungsbereich von 0,8 V bis 5,25 V
    • Unterstützt Lasten von >300 mA (1,8 VOUT, 3,7 VIN)
    • Verbessert den Wirkungsgrad des gesamten Systems bei gleichzeitiger Reduzierung der Größe
    • Hält im Gegensatz zu herkömmlichen Abwärtswandlern die Regelung ohne Ausfall aufrecht
    • Störungsfreier Abwärts-/Aufwärtsbetrieb
  • Niedriger Ruhestrom
    • Abschaltstrom von 300 nA
    • 5,6 μA Betriebsstrom (3 SIMO-Kanäle + LDO eingeschaltet)
  • Kleine Größe
    • WLP-Gehäuse von 2,75 mm x 2,15 mm (max. Höhe von 0,7 mm)
    • 30-Bump, 0,4mm-Rastermaß, 6x5-Array
    • Gesamtgröße der Lösung 16 mm2

Applikationen

  • Hearables: Bluetooth-Kopfhörer und Ohrhörer
  • Wearables: Fitness-, Gesundheits- und Aktivitäten-Monitore
  • Action-Kameras, Wearable/Körperkameras
  • Internet of Things (IoT) Gadgets

Vereinfachte Applikations-Schaltung

Analog Devices / Maxim Integrated MAX77640/MAX77641 Extrem stromsparende PMICs
Veröffentlichungsdatum: 2018-08-23 | Aktualisiert: 2023-04-25