Analog Devices / Maxim Integrated MAX77950 Evaluierungskit

Das Maxim Integrated MAX77950 Evaluierungskit bietet eine Ausgangsleistung von 12 W und verwendet mehrere Testpunkte zur Messung des Ausgangs, des Gleichrichter-Ausgangs und einer AC-Spannung. Das MAX77950 Kit erfüllt die Spezifikationsanforderungen für stromsparende WPC- (v1.2) und PMA-(v2.0)-SR1-Kommunikationsprotokolle. Das Kit arbeitet mit Nahfeld-magnetischer Induktion zusammen mit einem WPC- oder PMA-Sender. Im Kit enthalten ist eine planare Spule, um Strom drahtlos zu empfangen oder zu übertragen und eine Windows®-basierte Software, die eine grafische Benutzeroberfläche (GUI) bereitstellt. Weitere Merkmale sind ein bewährtes PCB-Layout, LED-Anzeige zur Überwachung des Betriebs sowie RoHS-Konformität.

Merkmale

  • Einsatzbereites Evaluierungskit mit Empfängerspule
  • Mehrere Testpunkte zur Messung der Ausgangsspannung (VOUT), der Gleichrichter-Ausgangsspannung (VRECT) und der AC-Spannung
  • Grafische Benutzeroberflächen-(GUI)-Software für Multifunktionstests
  • LED-Anzeige zur Überwachung des Betriebs
  • RoHS-konform
  • Bewährtes PCB-Layout
  • Vollständig bestückt und getestet

Lieferumfang Kit

  • Funkleistungssender mit WPC/PMA-Konformität
  • Mikro-USB-Kabel
  • Digitalmultimeter (DVM)
  • Windows-PC
  • Optional: DC-Stromversorgung und elektronische Last

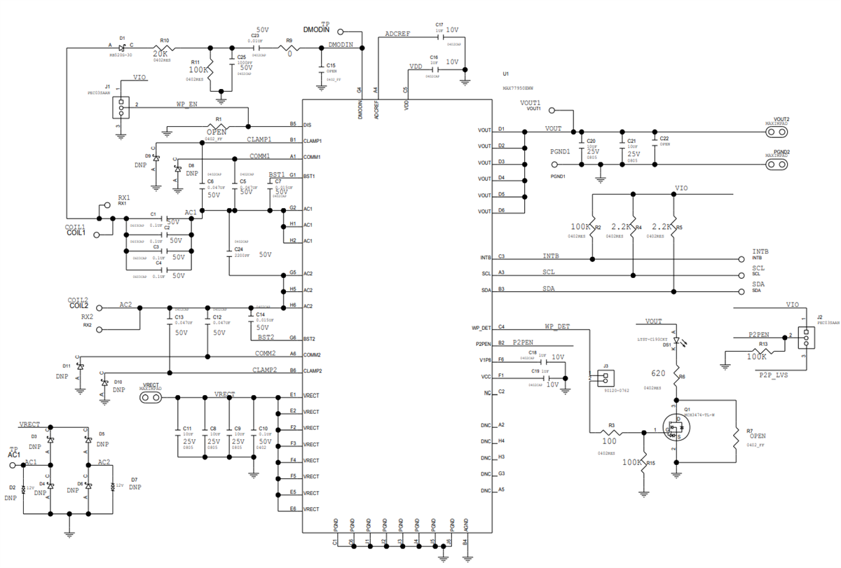
MAX77950 Evaluierungskit - Schaltplan

Schaltplan - Analog Devices / Maxim Integrated MAX77950 Evaluierungskit
Veröffentlichungsdatum: 2017-09-20 | Aktualisiert: 2023-04-14