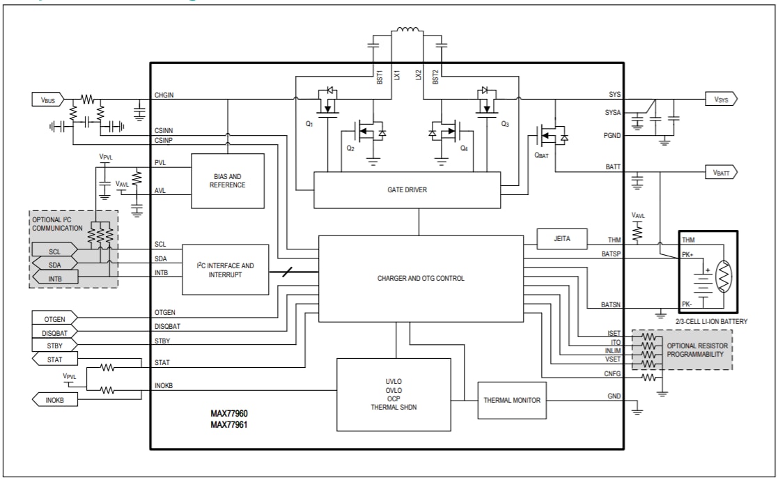
Analog Devices Inc. MAX77960/MAX77961 USB-C™-Auf-/Abwärtswandler-Ladegeräte
Die MAX77960/MAX7761 USB-C-Auf-/Abwärtswandler-Ladegeräte von Analog Devices sind leistungsstarke 3 A- oder 6 A-Ladegeräte mit großem Eingang und Smart Power Select™. Sie werden als Rückwärtswandler ohne zusätzlichen Induktor betrieben. Dadurch können die ICs USB-On-The-Go-Zubehör (OTG) betreiben. Die Bauteile integrieren verlustarme Leistungsschalter und bieten einen hohen Wirkungsgrad. Darüber hinaus bieten die MAX77960/MAX7761 eine geringe Wärme, ein schnelles Laden der Batterie und eine echte Lasttrennung. Eine einstellbare Ausgangsstrombegrenzung schützt sie. Die Bauteile sind hochflexibel und über eine I2C-Konfiguration oder eigenständig über eine Widerstandskonfiguration programmierbar.Merkmale
- 3,5 V bis 25,4 V Eingangsbetriebsbereich, 30VDC widerstandsfähig
- 97 % Spitzenwirkungsgrad für 2 S Batterie bei 9VIN/ 7,4VOUT/ 1,5AOUT
- 97 % Spitzenwirkungsgrad für 3 S Batterie bei 15VIN/ 12,6VOUT/ 2AOUT
- MAX77960
- Programmierbare Eingangsstrombegrenzung von 100 mA bis 3,15 A
- Programmierbare Konstantstromladung von 100 mA bis 3 A
- MAX77961
- Programmierbare Eingangsstrombegrenzung von 100 mA bis 6,3 A
- 100 mA bis 6 A Programmierbare Konstantstromladung
- Differential-Spannungsfernerkundung
- Schaltfrequenz: 600 kHz
- System-Instant-On mit Smart-Power-Selector-Leistungspfad
- Ladesicherheitstimer
- Chip-Temperaturregelung mit thermischer Foldback-Schleife
- Eingangsleistungsmanagement mit adaptivem Eingangs-Strip -Limit (AICL) und Eingangsspannungsregelung
- 10 mΩ BATT-zu-SYS-Schalter, bis zu 10 A Überstrom-Schwellenwert
- Umgekehrter Abwärtsmodus 5.1V/3A zur Unterstützung von USB-OTG
- JEITA-konform mit NTC-Thermistor-Überwachung
- I2oder Widerstandsprogrammierbar
- 4 mm x 4 mm, 30-Lead FC2QFN
Applikationen
- USB-Typ-C-betriebene Ladeapplikationen mit großem Eingang
- Batteriebetriebene 2- und 3-Zellen-Bauteile
- Smartphones, Tablets und 2-in-1-Laptops
- Medizinische, Gesundheits- und Fitness-Überwachungsgeräte
- Digitale Foto-, Video- und Action-Kameras
- Handheld-Computer und Terminals
- Handheld-Funkgeräte
- Elektrowerkzeuge
- Drohnen
- Batterie-Backup
- Drahtlose Lautsprecher
Blockdiagramm
Veröffentlichungsdatum: 2020-10-26
| Aktualisiert: 2024-07-11
