Apacer Technology Inc. SH250-300 Serial ATA Flash Drives
Apacer Technology Inc. SH250-300 Serial ATA Flash Drives are designed in SATA 6Gb/s interface and deliver excellent read/write speed. These flash drives are built with a powerful SATA controller that supports on-the-module ECC and an efficient wear-leveling scheme. The SH250-300 flash drives are implemented with Low-Density Parity Check (LDPC) ECC engine to extend SSD endurance and increase data reliability. These flash drives are equipped with a built-in thermal sensor to monitor the temperature of the SSD via S.M.A.R.T commands to prevent overheating. End-to-end data protection ensures data integrity at multiple points in the path to enable reliable delivery of data transfers. The SH250-300 flash drives come with various implementations, including power saving modes, wear leveling, flash block management, TRIM, DataDefender™, and SMART Read Refresh™. These ATA flash drives are ideal for industrial, imaging, computing, and enterprise markets.Features
- Flash management:
- Low-Density Parity-Check (LDPC) code
- Global wear leveling
- Flash bad-block management
- Page mapping flash translation layer
- S.M.A.R.T.
- DataDefender™
- Device sleep
- ATA secure erase
- TRIM
- SMART Read Refresh™
- SLC-liteX (P/E cycle: 100K)
- 3D TLC (BiCS5) NAND Flash type
- Compliance with SATA Revision 3.2:
- SATA 6Gb/s interface
- ATA-8 command set
- Backward compatible with SATA 1.5/3Gb/s
- SATA power management modes
- 52-pin mSATA connector type
- Security:
- AES 256-bit hardware encryption
- Reliability:
- Thermal sensor
- End-to-end data protection
- LED indicators for drive behavior
- RoHS recast compliant (complies with 2011/65/EU standard)
Specifications
- Capacity:
- 40GB, 80GB, 160GB, 320GB, and 640GB
- Performance:
- Burst read/write: 600MB/sec
- Up to 550MB/sec sequential read
- Up to 485MB/sec sequential write
- Up to 56,000IOPS random read (4K)
- Up to 63,000IOPS random write (4K)
- >3,000,000hours MTBF
- Endurance (in Drive Writes Per Day: DWPD):
- 40GB: 49.54DWPD
- 80GB: 49.95DWPD
- 160GB: 41.45DWPD
- 320GB: 42.35DWPD
- 640GB: 37.47DWPD
- Temperature range:
- Operating:
- Standard: 0°C to 70°C
- Wide: -40°C to 85°C
- Storage: -55°C to 100°C
- Operating:
- 3.3V ±5% supply voltage
- Power consumption:
- Active mode (maximum): 420mA
- Idle mode: 60mA
- Form factor:
- mSATA and JEDEC MO-300
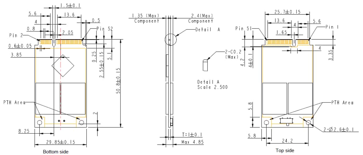
- 50.80mm x 29.85mm x 4.85mm dimensions
- Net weight: 6.73g ± 5%
Applications
- Industrial
- Imaging
- Computing
- Enterprise markets
Functional Block Diagram
Dimensions Diagram
Veröffentlichungsdatum: 2023-06-04
| Aktualisiert: 2023-08-03
