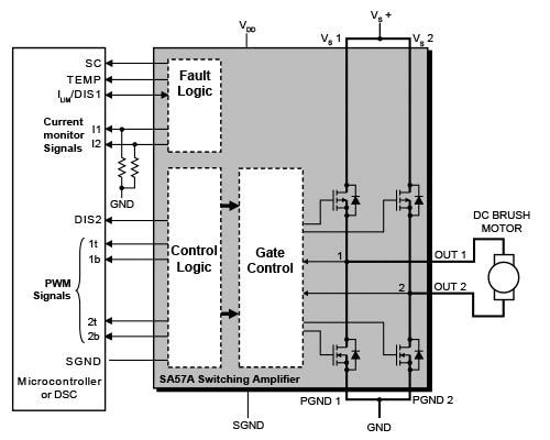
Apex Microtechnology SA57 PWM Amplifier with Integrated Gate Driver

Apex Microtechnology SA57 PWM Amplifier with Integrated Gate Driver delivers up to 17A of output current for driving brush-type DC motors. The Apex Microtechnology SA57AHU allows a seamless digital interface by partnering with an MCU or DSP. Individual control of the top and bottom side output FETs are allowed via direct signals from the processor. Thermal and short circuit monitoring for the SA57 is provided, which generates fault signals for the microcontroller to take appropriate action. The cycle-by-cycle current limit offers user-programmable hardware protection independent of the microcontroller.

Features

  • Voltage supply operation – 8.5V to 60V
  • High output current – 8A continuous, 15A PEAK phase
  • Low-cost intelligent switching amplifier
  • Directly connects to most embedded microcontrollers and digital signal controllers
  • Integrated gate driver logic with dead-time generation and shoot-through prevention
  • User-programmable cycle-by-cycle current limit protection
  • Over-current and over-temperature warning signals

Applications

  • Bidirectional DC brush motors
  • Two unidirectional DC brush motors
  • Two independent solenoid actuators
  • Stepper motors

Videos

Overview

Apex Microtechnology SA57 PWM Amplifier with Integrated Gate Driver
Veröffentlichungsdatum: 2020-08-21 | Aktualisiert: 2024-04-05