ATC Automatic Timing & Controls 339B Plug-In Adjustable Time Delay Relays

ATC Automatic Timing & Controls 339B Plug-In Adjustable Time Delay Relays provide six dial-selected ranges from fractions of a second up to 10 hours and include selectable on-delay or interval timing modes. The dial face automatically displays the selected range, and the LED annunciator delivers an effective method of cycle progress indication. These solid-state modules with an octal plug-in base maintain repeat accuracy regardless of wide voltage and temperature variations, even after long periods of downtime. ATC Automatic Timing & Controls 339B Plug-In Adjustable Time Delay Relays accommodate the needs of a wide range of applications, allowing the user to easily and precisely select an appropriate range for optimal accuracy.

Features

  • Wide choice of ranges
  • Cycle progress indication
  • High accuracy
  • Multiple timing modes
  • FM, CSA, and CE approved
  • UL recognized
  • Fixed timing units available to prevent adjustments and increase safety
  • -17°C to +60°C operating temperature range

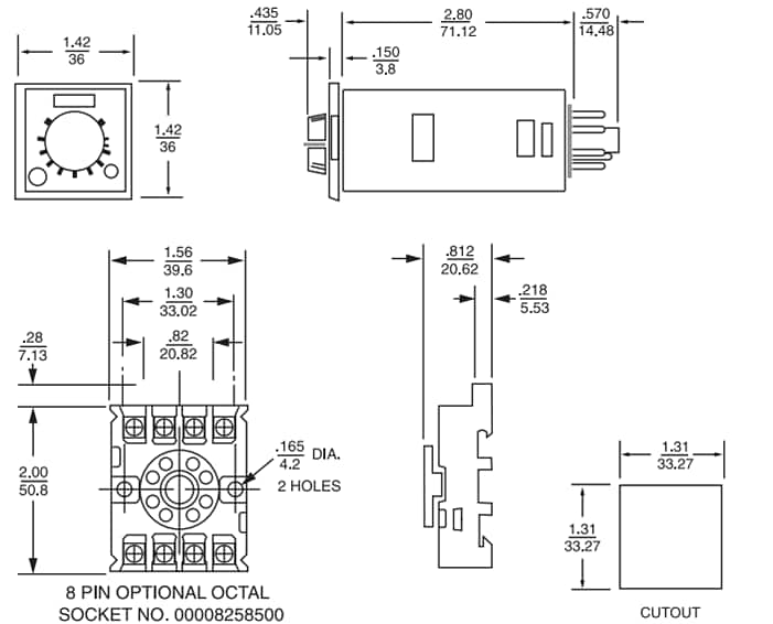
Dimensions (in/mm)

ATC Automatic Timing & Controls 339B Plug-In Adjustable Time Delay Relays

Wiring

ATC Automatic Timing & Controls 339B Plug-In Adjustable Time Delay Relays
Veröffentlichungsdatum: 2023-03-31 | Aktualisiert: 2023-05-10