Bourns HCT AEC-Q200-konforme Transformatoren
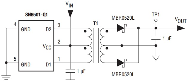
Bourns HCT AEC-Q200-konforme Transformatoren sind Leistungstransformatoren mit hoher Luft- und Kriechstrecke, die mit einem Ferrit-Toroid-Kern für einen hohen Kopplungsfaktor und einen hohen Wirkungsgrad ausgelegt sind. Die Transformatoren verfügen über eine verstärkte Isolierung, eine minimale Luft-/Kriechstrecke von 8 mm und eine Spannungsfestigkeit von 5 kV, um ein erhöhtes Maß an Isolierung gegen Hochspannungsrisiken zu bieten. Bourns HCT AEC-Q200-konforme Leistungstransformatoren sind für Isolationsnetzteile mit SN6501 und SN6505B Transformatortreibern von Texas Instruments ausgelegt. Die Baureihe entspricht den Standards IEC 60950-1, IEC 62368-1, IEC 60664-1 und Automotive-AEC-Q200.Merkmale
- AEC-Q200-konform
- Toroid-Core für hohe Kopplung und geringe Strahlung
- Verstärkte Isolierung für eine Betriebsspannung von 800 V
- Konform mit IEC 60950-1, IEC 62368-1 und IEC 60664-1
- Für die Isolierung von Stromversorgungen mit TI SN6501 und SN6505B ausgelegt
- RoHS-konform
Applikationen
- Automotive-Batteriemanagementsysteme (BMS)
- Automotive-Gate-Treiber
- RS485
- CAN-Schnittstellen
- Digitale Eingangsmodule
- RS323 Isolierung
Technische Daten
- 3,3 V bis 5 V Eingangsspannung
- Nennspannung: 3,3 V bis 15 V
- AC-Nennstrom: 350 mA
- Mindest-Primärinduktivität bei 100 kHz: 250 µH bis 350 µH
- Streuinduktivität bei 100 kHz: 0,6 µH bis 1,8 µH
- Betriebstemperaturbereich: -40 °C bis +125 °C
Applikations-Schaltung
Blockdiagramm
Veröffentlichungsdatum: 2020-01-21
| Aktualisiert: 2026-02-23
