Bourns HVMA03F40C-ST10S Sperrwandler
Der HVMA03F40C-ST10S Sperrwandler von Bourns ist ein AEC-Q200-konformer Automobilstandard-Transformator mit einer 3 W-Ausgangsleistung. Dieser Sperrwandler verfügt über einen Schaltfrequenzbereich von 100 kHz bis 400 kHz und eine Betriebsspannung von 900 V bis 5.000 m. Der HVMA03F40C-ST10S Sperrwandler bietet eine grundlegende Isolierung gemäß IEC 61558-2 und IEC 60664-1 und entspricht der Feuchteempfindlichkeit 1 (MSL 1). Dieser 3 W Sperrwandler bietet einen großen Betriebstemperaturbereich von -40°C bis 155°C und eine Kriechstrecke von 10 mm mit SMT-Transformator. Zu den typischen Applikationen gehören Transistor-Gate-Treiber-Leistung, Wechselrichterschaltungen, Batteriemanagement-Systeme, Motorantriebe und Power Delivery.Merkmale
- 3 W Sperrwandler
- Schaltfrequenzbereich: 100 kHz bis 400 kHz
- 900 V Betriebsspannung bis zu 5.000 m
- SMT-Transformator mit 10 mm Kriechstrecke
- Phenolharzspule
- Vollständig isolierter Kupferdraht
- Epoxidkleber und Ferritkern
- Basisisolierung gemäß IEC 61558-2 und IEC 60664-1
- -40 °C bis 155 °C Betriebstemperatur
- Feuchteempfindlichkeit 1 (MSL 1)
- AEC-Q200-konform und Automobilstandard
Applikationen
- Transistor-Gate-Treiber-Leistung
- Wechselrichterschaltungen
- Batteriemanagementsysteme
- Motorantriebe
- Stromzufuhr
Diagramm – bleifreies Lötprofil
Elektrischer Schaltplan
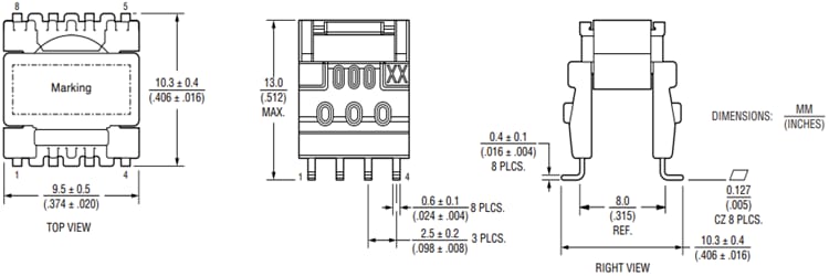
Maßbild
Veröffentlichungsdatum: 2025-01-06
| Aktualisiert: 2025-01-13
