Bourns PAC18R 18-mm-Absolutkodierer mit niedrigem Profil

Bourns PAC18R 18-mm-Absolutkodierer mit niedrigem Profil verfügen über eine Schaltleistung von 1 mA bei 10 VDC, einen Isolationswiderstand von 10 MΩ bei 500 VDC und eine IP64-Schutzart. Die PAC18R Encoder haben eine isolierte Kunststoffschaft-Dichtung für eine verbesserte IP-Ebene und eine ausgereifte erstklassige Rotationscharakteristik. Diese Encoder verfügen über ein niedriges Profil und eine Lebensdauer von bis zu 30.000 Umdrehungszyklen. Die PAC18R 18-mm-Absolutkodierer mit niedrigem Profil von Bourns sind für Applikationen ausgelegt, bei denen ein abgedichteter Absolutkodierer mit Menüauswahl erforderlich ist, einschließlich professionelle Audioausrüstungen, Kommunikationsvorrichtungen und Industrieautomatisierungssteuerungen.

Merkmale

  • Absolutkodierer mit niedrigem Profil
  • Lebensdauer von 30.000 Umdrehungszyklen
  • Betriebstemperaturbereich: -35 °C bis +70 °C
  • Erstklassige Rotationscharakteristik
  • Wellendichtung gemäß IP64
  • Isolierte Kunststoffwelle und Buchse
  • Optionale haptische Rastungsvorrichtung
  • RoHS-konform

Applikationen

  • Professionelle Audioausrüstungen
  • Professionelle Lichtorgeln
  • Verbraucher-Weißware
  • Medizintechnik- und Diagnosegeräte mit Niedrig-/Mittel-Risiko
  • Prüf- und Messgeräte
  • Kommunikationsgeräte
  • Laborausrüstung
  • Industrieautomatisierungssteuerungen

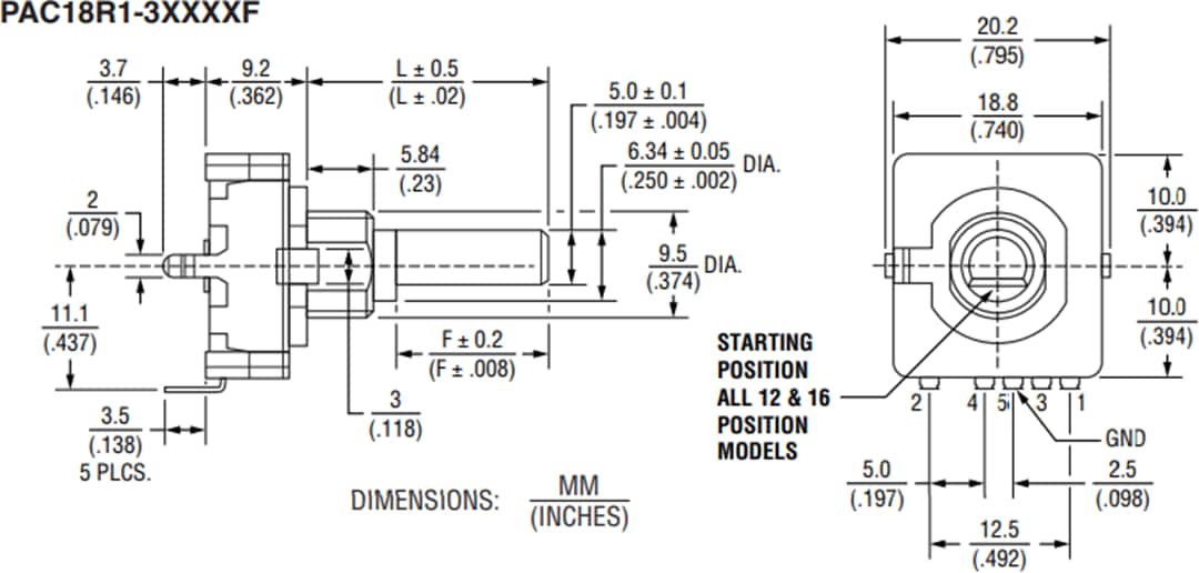
Abmessungen (PAC18R1-3XXXXXXF)

Technische Zeichnung - Bourns PAC18R 18-mm-Absolutkodierer mit niedrigem Profil

Abmessungen (PAC18R1-4XXXXF)

Technische Zeichnung - Bourns PAC18R 18-mm-Absolutkodierer mit niedrigem Profil
Veröffentlichungsdatum: 2021-01-22 | Aktualisiert: 2022-03-11