Bourns PEC04 Inkrementelle Mikroencoder
Bourns PEC04 Incremental Micro Encoder verfügen über ein 4 mm kompaktes Design und bieten eine hohe Zuverlässigkeit mit Surface-Mount-Technology. Diese Encoder verfügen über einen 2-Bit-Quadraturcode- Ausgang 10 mA bei 5 VDC- Schaltleistung 5 s maximales Gleitprellen und 6 oder 12 Impulse in 360 ° Rotations-Auflösung. Die PEC04-Encoder arbeiten im Temperaturbereich von -20 °C bis 70 °C. Diese Encoder sind nach IP40-Standard zertifiziert und RoHs-konform. Typische Applikationen umfassen Mikro-Kopfhörer und intelligente tragbare Bauteile.Merkmale
- Kompaktes Design
- Hochzuverlässig
- Oberflächenmontage
- Schutzart IP40
- RoHS-konform
Applikationen
- Mikro-Kopfhörer
- Intelligente tragbare Bauteile
Technische Daten
- 2-Bit-Quadraturcode- Ausgang
- Schaltleistung: 10 mA bei 5 VDC
- Maximale Gleitprellungszeit: 5 s
- 6 oder 12 Impulse bei 360 °-Drehungs- Auflösung
- 50 MΩ min. bei 50 VDC minimaler Isolierwiderstand
- 50 VAC 1 min. Durchschlagfestigkeit Meeresspiegel
- Lötbedingungen:
- 260 °C für 3 s (DIP-Löten)
- 300 °C für 3 s (manuelles Löten)
- Kontinuierlicher mechanischer Winkel: 360 °
- Rotationslebensdauer: 30.000 Zyklen
- Gewicht: 0,1 g
Quadratur-Ausgangstabelle
Filterschaltung
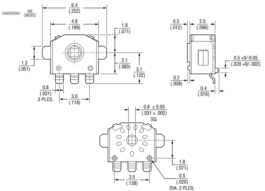
Maßbild
Veröffentlichungsdatum: 2025-08-11
| Aktualisiert: 2025-09-03
