Bourns Riedon™ PF2472 TO-247-Leistungswiderstände
Bourns Riedon™ PF2472 TO-247-Leistungswiderstände nutzen die Dickfilmtechnologie und werden in einem TO-247-Standardgehäuse geliefert. Die PF2472-Baureihe bietet eine niedrige Induktivität, eine Nennleistung von bis zu 100 W und einen großen Widerstandswertbereich von 0,1Ω bis 20 kΩ. Diese Leistungswiderstände von Bourns verfügen über Widerstandstoleranzoptionen von 1 % und 5 % und sind ideal für AC-DC- und DC/DC-Leistungswandler, Batterie-Energiespeichersysteme (BESS), Kondensator-Auflade-/Entlade-Schaltungen und mehr.Merkmale
- Widerstandsbereich von 0,1 Ω bis 20 kΩ
- Nennleistung von bis zu 100 W
- Widerstandstoleranz von ±1 % oder ±5 %
- Filmwiderstandselemente mit hoher Stabilität
- Die Rückseite ist von beiden Pins isoliert
- Geringe Induktivität
- Hervorragende Impulshandhabung
- TO-247-Gehäuse
Applikationen
- AC/DC- und DC/DC-Leistungswandler
- BESS
- Kondensator-Auflade-/Entladeschaltungen
- Industrie-Netzteile, Umrichter und Motorantriebe
- Stromsensoren
- Snubber-Schaltungen
Technische Daten
- Nennleistungen
- 100 W mit Kühlkörper
- 3 W ohne Kühlkörper
- Thermischer Widerstand: 1,3 °C/W
- Durchschlagfestigkeit: 2.500 VAC
- Temperaturkoeffizient
- ±20 PPM/°C (R≥20 Ω)
- ±300 PPM/°C (0,1 Ω≤R<20>20>
- Betriebstemperatur von -55 °C bis +175 °C
Videos
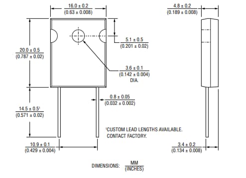
Abmessungen
Veröffentlichungsdatum: 2025-08-06
| Aktualisiert: 2025-10-15
