Bourns RSI Riedon™ DC-Amperemeter-Querwiderstände
Bourns RSI Riedon™ DC-Amperemeter-Querwiderstände bieten eine robuste und genaue Messung für einen großen Strombereich. Die Widerstände verfügen über mittig montierte Spannungsanzapfungen zur Vereinfachung der Verbindung zu Amperemetern und ein Manganin™ Widerstandselement, um niedrige Widerstandswerte zu erzielen. Die RSI-Baureihe bietet ein kompaktes Design für platzbeschränkte Applikationen, die hohe Nennströme und eine nicht-induktive Metallelementbauweise erfordern. Die RSI Riedon DC-Amperemeter-Querwiderstände von Bourns eignen sich hervorragend für verschiedene Stromapplikationen, einschließlich Frequenzumrichter und Stromsensoren.Merkmale
- Ehemaliges Riedon-Produkt
- Manganin-Widerstandselement
- Nicht-induktives Metallelement
- Mittenmontierte Spannungsanzapfungen
- Hohe Nennströme
- Niedrige Widerstandswerte
- Nenntoleranz: 0,25 %
- Kompaktes Design für platzbeschränkte Applikationen
- UL-zugelassen, RoHs-konform
Applikationen
- Frequenzwandler
- Stromsensoren
Technische Daten
- Nennstrombereich: 300 A bis 1.200 A
- Betriebsstrombereich: 200 A bis 800 A
- Nennausgangsleistung: 50 mV oder 100 mV
- Widerstandsbereich bei 50-mV-Ausgang: 0,042 mΩ bis 0,167 mΩ
- Widerstandsbereich bei 100-mV-Ausgang: 0,083 mΩ bis 0,333 mΩ
- TCR: 15 ppm bis 20 ppm
- -40 °C bis +70 °C Betriebstemperaturbereich
- -55 °C bis +80 °C Lagertemperaturbereich
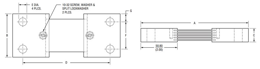
Technische Zeichnung
Veröffentlichungsdatum: 2024-08-26
| Aktualisiert: 2024-08-26
