Broadcom AEAT-901B Magnetische Inkremental-Encoder
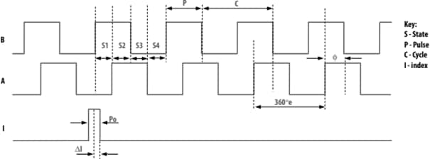
Broadcom AEAT-901B Magnetische Inkremental-Encoder bieten eine integrierte Lösung für die Winkelerkennung innerhalb einer vollständigen 360-° -Drehung. Diese Encoder verwenden eine magnetische Technologie für die Bewegungssteuerung und Abtastaktivitäten, die dazu beiträgt, mechanischen Kontakt zu eliminieren und das Bauteil vor mechanischem Verschleiß zu befreien. Die magnetischen Encoder der Baureihe AEAT-901B verfügen über eine Auflösung von 256 bis 10.000 Zyklen pro Umdrehung (CPR), einen Betriebstemperaturbereich von -40°C bis 125°C und eine 5-V-Einzelversorgung. Darüber hinaus verfügen diese magnetischen Encoder über einen Dreikanal-Ausgang, der einen zusätzlichen Indexkanal für jede vollständige Umdrehung oder Umdrehung von 360° bietet. Die AEAT-901B magnetischen Encoder unterstützen eine direkte -Konnektivität über einen Kabelausgang und sind ohne Signalanpassung einfach zu montieren. Diese magnetischen Encoder sind RoHS-konform und eignen sich hervorragend für die Geschwindigkeitserkennung, die Knopfsteuerung und den Drehgeber.Merkmale
- Auflösung von 256 bis 10.000 Zyklen pro Umdrehung (CPR)
- Berührungslose Sensortechnologie
- Großer Temperaturbereich: -40 °C bis 125 °C
- Dreikanal-Ausgang
- Einzelversorgung 5 V
- Einfache Montage und keine Signalanpassung erforderlich
- Direkte Konnektivität über Kabelausgang
- RoHS-konform
Applikationen
- Geschwindigkeitserkennung
- Knopfsteuerung
- Drehgeber
Maßbild
Kodierungseigenschaften
Veröffentlichungsdatum: 2024-09-05
| Aktualisiert: 2025-03-13
