Broadcom AELT-8000 Leitungstreiber-Evaluierungsboards
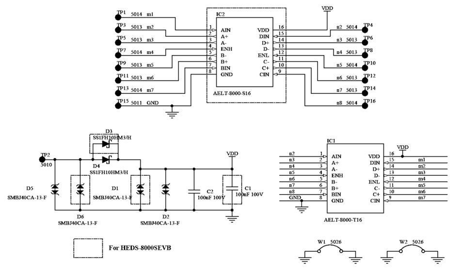
Broadcom AELT-8000 Leitungstreiber-Evaluierungsboards ermöglichen Benutzern die Evaluierung des Betriebsverhaltens und der Funktionen des AELT-8000 Leitungstreiber-ICs. Jeder Testpunkt ist mit den Pins des ICs verbunden und jedes Evaluierungsboard ist mit einem Kondensator (der als Entkopplungskondensator fungiert) und Dioden (für Sperrspannungsschutz und Spannungsklemmung) vorbestückt.Das HEDS-8000SEVB von Broadcom ist mit der IC-Komponente AELT-8000-S16 (SOIC-16) ausgestattet. Das HEDS-8000TEVB ist mit der AELT-8000-T16 (TSSOP-16) IC-Komponente ausgestattet.
Merkmale
- Betriebsfrequenz bis zu 5 MHz
- 4,5 V bis 36 V Treiberversorgungsbereich
- Pin-kompatibel bis 26xx31, xx7272
- Kurzschlusssichere Tri-State-Ausgänge
- 80 ns (typisch) geringe Laufzeitverzögerung
- CMOS-kompatible und TTL-kompatible gepufferte Eingänge mit hoher Impedanz und Hysterese
- -40 °C bis 125 °C Betriebstemperaturbereich
- Übertemperaturschutzschaltung
- Unterspannungsüberwachung
Applikationen
- Leitungstreiber für 5 V- bis 36 V-Steuersysteme
- Rotierende und lineare Encoder-Schnittstelle
- Industriesteuerungen
- Sensorsysteme
Board-Abmessungen (mm)
Schaltschema
Layout
Veröffentlichungsdatum: 2025-03-11
| Aktualisiert: 2025-03-17
