Broadcom AFBR-59E4APZ Multimodus-SSF-Transceiver
Die Multimodus-SSF-Transceiver AFBR-59E4APZ von Broadcom sind neue, energiesparende Small Form Factor (SSF)-Sender/Empfänger, die dem Systemdesigner ein Produkt zur Implementierung einer Reihe von Lösungen für das Fast-Ethernet mit Multimode-Glasfasern bieten. Sie sind im Industriestandard 2x5-DIP-Stil mit LC-Glasfaseranschluss erhältlich. Jede dieser Vorrichtungen arbeitet mit einer Nennwellenlänge von 1310nm mit einer LC-Glasfaserverbinderschnittstelle. Diese Sender/Empfänger sind optimiert, um sowohl mit 50/125 µm als auch mit 62,5/125 µm Multimode-Glasfasern betrieben zu werden.Merkmale
- Multi sourced 2x5 package style
- Operates with 62.5/125μm and 50/125μm multimode fiber
- Single +3.3V power supply
- Wave solder and aqueous wash process compatibility
- Manufactured in an ISO 9001 certified facility
- Compatible with the optical performance requirements of 100Base-FX Version of IEEE 802.3u
- RoHS compliant
- LVPECL signal detect output
- Temperature range
- AFBR-59E4APZ -40°C to +85°C
- AFBR-59E4APZ-HT -40°C to +95°C
Applikationen
- Factory automation at Fast Ethernet speeds
- Fast Ethernet networking over multimode fiber
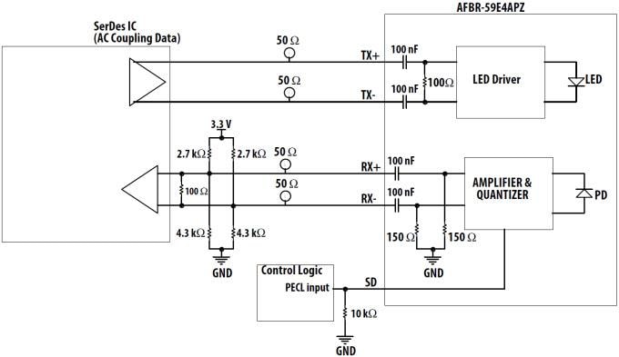
Recommended Termination Circuit
Veröffentlichungsdatum: 2016-06-07
| Aktualisiert: 2025-01-14
