Carlo Gavazzi IRC40 Inductive Sensors for Conveyors & Escalators

Carlo Gavazzi IRC40 Inductive Sensors for Conveyors and Escalators are resistant to extreme operating conditions, such as exposure to a wide range of temperatures. These sensors are also resistant to frequent high-pressure and washdown cycles. The IRC40 sensors offer flexible adjustment and adaptability for any application due to the 5-position sensing face. These sensors are designed as a durable solution for daily indoor and outdoor operations to ensure the accurate detection of actuating parts. Some of the actuating parts include skid conveyor positioning, step detection on escalators, and material positioning on conveyor systems. The IRC40 sensors feature a 22mm to 40mm extended sensing distance and a 40mm x 40mm x 66mm plastic housing with M12-plug. The series operates over a -25°C to 80°C (-13°F to 176°F) temperature range and offers IP68 and IP69K environmental protection.

Features

  • Rotatable sensing face in 5 different positions without the need for additional tools
  • Bracket with push unlock system for easy and quick mounting or replacement
  • 4 corner visible LEDs with diagnostic functions
  • 22mm to 40mm extended sensing distance
  • -25°C to +80°C (-13°F to +176°F) operating temperature range
  • IP68 and IP69K environmental protection against high pressure and high temperature washing cycles
  • 40mm x 40mm x 66mm plastic housing with M12-plug
  • Flush or non-flush mountable
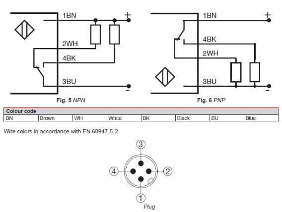
  • NPN or PNP anti-valent output (NO+NC)

Applications

  • Conveyors
  • Escalators
  • Material handling
  • Logistics

Structure

Chart - Carlo Gavazzi IRC40 Inductive Sensors for Conveyors & Escalators

Features

Carlo Gavazzi IRC40 Inductive Sensors for Conveyors & Escalators

Connection Diagram

Carlo Gavazzi IRC40 Inductive Sensors for Conveyors & Escalators

Dimensional Diagram

Mechanical Drawing - Carlo Gavazzi IRC40 Inductive Sensors for Conveyors & Escalators

Videos

Veröffentlichungsdatum: 2022-09-12 | Aktualisiert: 2025-12-12