C&K Switches 4,5-mm-Tastschalter PTS647

Die 4,5-mm-Tastschalter PTS647 von C&K Switches sind kompakte SMT-Terminalschalter mit einer Grundfläche von 4,5 mm x 4,5 mm. Sie sind mit Betätigungshöhen von 3,8 mm, 5 mm und 7 mm sowie drei Betätigungskräften erhältlich. Die PTS647-Schalter von C&K verfügen über die Schutzart IP40 und halten 100.000 Schaltzyklen stand. Zu den Applikationen zählen industrielle Bedienfelder, Computerprodukte, Heimautomatisierung, Internet der Dinge (IoT), TV- und Internetboxen, Heim- und Gartengeräte, professionelle Bedienfelder und vieles mehr.

Merkmale

  • Kompakte Größe
  • SMT-Terminals
  • Betätigungshöhen: 3,8 mm, 5 mm und 7 mm
  • Betätigungskräfte von 100 gf, 180 gf und 250 gf verfügbar
  • Tape-and-Reel-Verpackung

Applikationen

  • Verbraucher
  • Industrielle Bedienfelder
  • Computer
  • Heimautomatisierung
  • Messgeräte
  • TV- und Internet-Boxen
  • Heim- und Gartengeräte
  • Professionelle Bedienfelder
  • IoT

Technische Daten

  • 4,5 mm x 4,5 mm Formfaktor
  • 0,25 mm ±0,15 mm Tastenhub
  • 330 mm ±2 mm Außendurchmesser
  • 100.000 Lebenszyklen
  • 50 mA bei 12 VDC Kontaktbelastbarkeit
  • 100 MΩ Isolationswiderstand (min.)
  • 250 VAC Durchschlagfestigkeit (min.)
  • 100 mΩ Anfangskontaktwiderstand (maximal)
  • Betriebstemperaturbereich -20 °C bis +70 °C

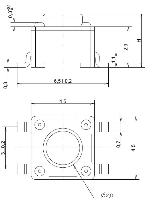
Technische Zeichnung

Technische Zeichnung - C&K Switches 4,5-mm-Tastschalter PTS647

Videos

View Results ( 18 ) Page
Teilnummer Betätigungskraft Höhe Fußhöhe
PTS647SK70SMTR2N LFS 2.5 N 7 mm
PTS647SN70SMTR2N LFS 1 N 7 mm
PTS647SK38SMTR2N LFS 2.5 N 3.8 mm
PTS647SK50SMTR2N LFS 2.5 N 5 mm
PTS647SN38SMTR2N LFS 1 N 3.8 mm
PTS647SN50SMTR2N LFS 1 N 5 mm
PTS647SK38SMTR2 LFS 250 gf 3.8 mm 0.9 mm
PTS647SK50SMTR2 LFS 250 gf 5 mm 2.1 mm
PTS647SK70SMTR2 LFS 250 gf 7 mm 4.1 mm
PTS647SN38SMTR2 LFS 100 gf 3.8 mm 0.9 mm
Veröffentlichungsdatum: 2019-01-23 | Aktualisiert: 2025-11-04