Coilcraft PoE300F Sperrwandler

Coilcraft PoE300F Sperrwandler sind zur Erfüllung der Anforderungen des IEEE 802.3at-2009-Standards für 30-W-PoE ausgelegt. Diese Transformer werden in einem Frequenzbereich von 250 kHz und einem Eingangsspannungsbereich von 36 V bis 72 V betrieben. Diese PoE300F Transformer bieten 1.500 Vrms 1 Minute Primär- zu Sekundärwicklungen bzw. 500 Vrms Primär- zu Hilfswicklungen.

Merkmale

  • Zur Erfüllung der Anforderungen des IEEE 802.3at-2009-Standards für 30-W-PoE ausgelegt
  • Wird bei einer Frequenz von 250 kHz betrieben
  • Eingangsspannungsbereich von 36 V bis 72 V
  • Isolierung von 1.500 Vrms, 1 Minute Primär- zu Sekundärwicklungen und 500 Vrms Primär- zu Hilfswicklungen
  • Ferritkernmaterial
  • Umgebungstemperaturbereich: -40 °C bis +125 °C
  • Gewicht: 11,9 g
  • Feuchteempfindlichkeit (MSL) 1

Schaltplan-Diagramm

Coilcraft PoE300F Sperrwandler

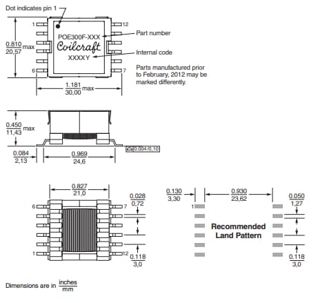
Technische Zeichnung

Technische Zeichnung - Coilcraft PoE300F Sperrwandler
Veröffentlichungsdatum: 2019-09-09 | Aktualisiert: 2023-08-08