CUI Inc VGSM-280B Medizinische AC/DC-Netzteile
CUI Inc VGSM-280B AC/DC-Netzteile sind medizinische AC/DC-Netzteile in einem kompakten Metallgehäuse. Dieses interne AC/DC-Netzteil von CUI Inc ist 60601-zertifiziert und verfügt über 5 V Standby- und 12 V Lüfterausgänge. Diese robuste Einheit eignet sich hervorragend für medizinische Applikationen und bietet eine Ausgangsleistung von 200 W mit natürlicher Konvektion und 280 W mit forcierter Luftkühlung.Merkmale
- 200 W mit natürlicher Konvektion, 280 W mit forcierter Luftkühlung
- Zertifiziert gemäß EN/UL 60601-1, 2xMOPP
- Zur Erfüllung der Anforderungen gemäß EN 60601-1-2 ausgelegt
- Zur Erfüllung der Anforderungen gemäß EN 55011/EN 55032 ausgelegt
- Universal-Eingangsbereich von 90 VAC bis 264 VAC
- 5 V Standby und 12 V Lüfterausgänge
- Kurzschluss-, Überstrom-, Überspannungs- und Übertemperaturschutz am Ausgang
- 3.000 m Betriebshöhe
- Betriebstemperaturbereich mit Herabsetzung von -20 °C bis +70 °C
- EIN-/AUS-Fernsteuerung
Applikationen
- Medizinische Ausrüstung
- Industrie
Technische Daten
- Ausgangsspannungsbereich von 12 VDC bis 54 VDC
- Maximale Ausgangsleistung: 280 WW
- Maximaler Ausgangsstrombereich: 5,18 A bis 23,33 A
- Maximaler Welligkeits- und Rauschbereich: 150mVp-p bis 400mVp-p
- 91 % typischer Wirkungsgrad
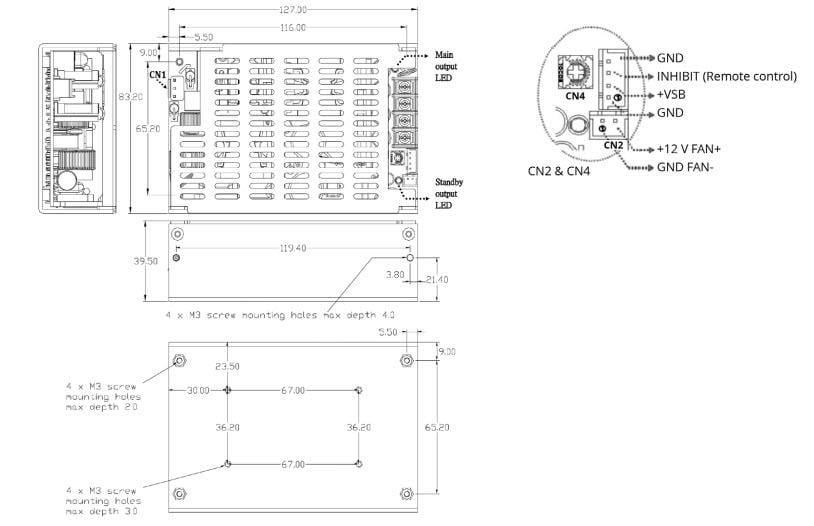
Technische Zeichnung
Veröffentlichungsdatum: 2025-02-14
| Aktualisiert: 2025-12-12
