Dialight 599 Reverse Mount SMD LEDs

Dialight 599 Reverse Mount SMD LEDs are designed for lighting the non-component side of a PCB, where the LED emits light through a small cut-out hole on the board. Color options include red, red-orange, yellow, yellow-green, true green, and blue. The 599 Reverse Mount LEDs offer a 140° viewing angle with an 18mcd to 900mcd luminous intensity range. Operating within a -40°C to +85°C temperature range and a 1.8V to 3.5V forward voltage range, these LEDs are ideal for narrow-space applications and are compatible with automatic placement machines. Applications include front panel illumination, status indication, backlighting for keypads / symbols / switch buttons, networking / telecommunications, and general LED lighting.

Features

  • Reverse mount SMD LEDs are for lighting the non-component side of a PCB, where the LED emits light through a small cut-out hole on the board
  • Industry-standard footprint, small package with a thin profile for space-saving
  • Ideal for narrow-space applications
  • Compatible with automatic placement machines
  • Single color output
  • AlInGaP Die 1
  • Water clear lens color
  • Non-tinted, non-diffused lens colors
  • Red, red-orange, yellow, yellow-green, true green, and blue LED color options
  • Available in carrier tape or reel
  • Moisture Sensitivity Level (MSL) 3 
  • RoHS compliant

Applications

  • Front panel illumination
  • Status indication
  • Backlighting for keypads, symbols, and switch buttons
  • Networking and telecommunications
  • General LED lighting

Specifications

  • 1205 package size
  • 3.2mm x 1.25mm x 1.1mm (LxWxH) dimensions
  • 69mW to 105mW power dissipation range
  • 30mA forward current, 60mA peak
  • 18mcd to 900mcd luminous intensity range
  • 1.8V to 3.5V forward voltage range
  • 517nm to 640nm dominant wavelength range
  • 10µA maximum reverse current at 5V
  • 140° typical viewing angle
  • 0.417mA/°C derating curve
  • 1000V or 2000V electrostatic discharge options
  • 450°C/W maximum thermal resistance
  • -40°C to +85°C operating temperature range

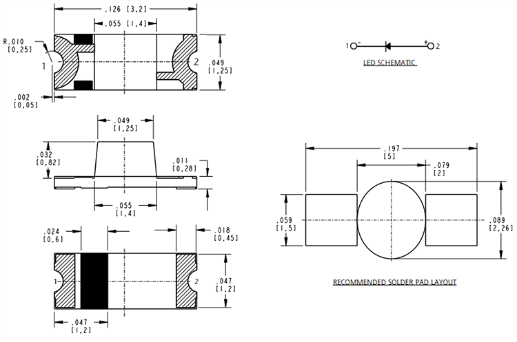
Dimensions

Mechanical Drawing - Dialight 599 Reverse Mount SMD LEDs
Veröffentlichungsdatum: 2024-04-15 | Aktualisiert: 2025-01-02