Diodes Incorporated AL1783Q Linearer Dreikanal-PWM-LED-Treiber
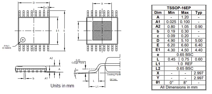
Der Diodes Incorporated AL1783Q lineare Dreikanal-PWM-LED-Treiber ist für Automotive-LED-Beleuchtungsapplikationen ausgelegt und zeichnet sich durch eine kompakte Lösung aus. Dieser Treiber bietet eine unabhängige PWM-Verdunkelung und Stromeinstellungssteuerungen für jeden Kanal. Der AL1783Q Treiber ist auch auf eine PWM-Verdunkelungsleistung, eBOM-Kosteneffizienz, einfache Systemimplementierung und einen geringen Stromverbrauch im Standby-Modus zurückzuführen. Dieser Treiber ist in einem TSSOP-16EP-Gehäuse erhältlich und reduziert die Anzahl externer Komponenten und den PCB-Platz. Der AL1783Q Treiber verfügt über drei externe Referenzpins zur Einstellung des LED-Stroms für jeden Kanal und dieser Treiber ist bleifrei und RoHS-konform. Dieser Treiber wird bei einem Eingangsspannungsbereich von 6,5 V bis 55 V und einem Lagertemperaturbereich von -55°C bis +160°C betrieben. Der AL1783Q Treiber wird in Positions-, Nebel- und Rückleuchten verwendet.Merkmale
- Drei externe Referenz-Pins zur Einstellung des LED-Stroms für jeden Kanal
- Gemäß AEC-Q100 Klasse 1 qualifiziert
- Unabhängige PWM-Verdunkelungssteuerung für jeden Kanal
- Drei externe Referenz-Pins zur Einstellung des LED-Stroms für jeden Kanal
- Automatisches Einschalten und Verlassen des Standby-Stromsparmodus
- Robuste Schutzfunktionen:
- Unterspannungssperre (UVLO)
- Überspannungsschutz (OVP)
- Offener LED-Ketten-Schutz (LED offen)
- Übertemperaturschutz (OTP):
- Thermisches Foldback
- Übertemperaturschutz
- Automatische thermische Wiederherstellung
- Störungsmeldung:
- UVLO
- OTP
- LED offen und kurzgeschlossen
- Bleifrei und RoHS-konform
Technische Daten
- 6,5 V bis 55 V Eingangsspannungsbereich
- ±4 % LED-Stromtoleranz bei 125 mA
- Schnelle PWM-Verdunkelung mit 40 kHz
- -55 °C bis 160 °C Lagertemperaturbereich
- Sperrschicht-Betriebstemperaturbereich: -40 °C bis 150 °C
- Betriebsumgebungstemperaturbereich: -40 °C bis 125 °C
Applikationen
- Tagfahrlampen
- Positionsleuchten
- Nebelscheinwerfer
- Heckleuchten
- Brems- oder Rückfahrleuchten
- Innenbeleuchtung
Typisches Anwendungsschaltdiagramm
Blockdiagramm
Maßbild
Veröffentlichungsdatum: 2024-01-31
| Aktualisiert: 2024-03-07
