Diodes Incorporated Für den Einsatz im Fahrzeugbereich geeignete Regler des Typs AP7375Q mit extrem niedrigem Dropout
Bei den für den Einsatz im Fahrzeugbereich geeigneten Ultra-Low Drop-Out (UDLO) Reglern des Typs AP7375Q von Diodes Incorporated handelt es sich um Bauteile mit einem großen Eingangsspannungsbereich und einem niedrigen Ruhestrom, die darauf ausgelegt sind, einen Laststrom von 300 mA zu liefern. Die Regler des Typs AP7375Q bieten einen EN-Anschluss zum Aktivieren und Deaktivieren des ULDO-Ausgangs. Der EN-Anschluss kann eine Eingangsspannung von bis zu 45 V aufnehmen. Diese Regler bieten eine sehr schnelle Reaktion auf Netzspannungs- und Laststromtransienten und sorgen dafür, dass während des Anlaufs und der Wiederherstellung nach einem Kurzschluss keine Überspannung auftritt. Die Regler verfügen auch über einen integrierten Kurzschluss- und thermischen Abschaltschutz.Die ULDO-Regler des Typs AP7375Q werden in Ausführungen mit einer festen Ausgangsspannung von 1,8 V, 3,0 V, 3,3 V und 5,0 V angeboten und sind in den Gehäusen des Typs SOT89 und SO-8EP erhältlich. Alle Varianten des AP7375Q sind für Fahrzeuganwendungen geeignet, die eine spezifische Änderungssteuerung erfordern. Die Regler sind AEC-Q100-qualifiziert, PPAP-fähig und werden in nach IATF 16949 zertifizierten Einrichtungen hergestellt.
Merkmale
- Breiter Eingangsspannungsbereich von 3 V bis 45 V
- Maximal 300 mA Ausgangsstrom
- Low-Dropout-Controller-Spannung:
- VDROP = 35 mV bei IOUT = 10 mA (typisch)
- VDROP = 350 mV bei IOUT = 100 mA (typisch)
- Geringer Ruhestrom: 2,1 μA (typ.)
- Optionen in Bezug auf die feste Ausgangsspannung: 1,8 V, 3,0 V, 3,3 V und 5,0 V
- Hohe Genauigkeit der Ausgangsspannung von ±2 %
- Hohe 85 dB PSRR bei 1 kHz
- Hervorragende Last- und Leitungseinstellung
- Thermische Abschaltfunktion
- Kurzschluss-Schutzfunktion
- Betriebstemperaturbereich: 40 ºC bis +125 ºC
- SOT89- und SO-8EP-Gehäuseoptionen
- Bleifrei und RoHS-konform
- Halogen- und antimonfreies, „grünes“ Bauelement
- AEC-Q100-qualifiziert und PAAP-fähig
Applikationen
- Betrieb von MCUs und CAN-/LIN-Transceivern
- Automotive-Haupteinheiten
- EV- und HEV-Batteriemanagementsysteme
- Bordnetzsteuermodule
- Getriebeststeuereinheiten (TCUs)
Typische Applikations-Schaltung
Blockdiagramm
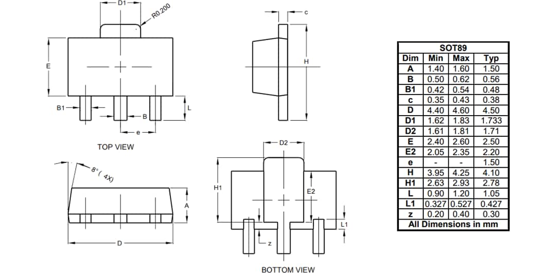
Gehäuseabmessungen (SOT89)
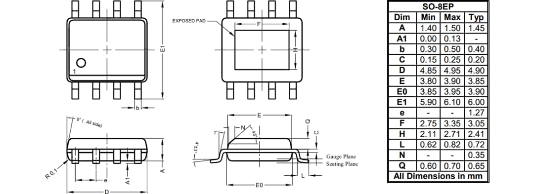
Gehäuseabmessungen (SO-8EP)
Veröffentlichungsdatum: 2022-08-05
| Aktualisiert: 2024-06-25
