Diodes Incorporated AS2333Q Nullpunktdrift-Operationsverstärker (OPV)
Der Diodes Incorporated AS2333Q Nullpunktdrift-Operationsverstärker ist ein dualer CMOS-Operationsverstärker, der eine extrem niedrige Eingangs-Offset-Spannung (8 μV typisch) und einen beinahe Nullpunktdrift über Zeit und Temperatur bietet. Diese Technik eliminiert 1/f-Rauschen und die Crossover-Verzerrung, die in den meisten Rail-to-Rail-Eingangs-Operationsverstärkern vorhanden sind. Der hochpräzise Verstärker mit niedrigem Ruhestrom bietet Eingänge mit hoher Impedanz, die über einen Gleichtaktbereich von 100 mV über die Schienen hinaus und einen Rail-to-Rail-Ausgang verfügen, der innerhalb von 50 mV der Schienen schwingt. Einzel- oder Dual-Versorgungen so niedrig wie 1,8 V (±0, 9 V) und bis zu 5,5 V (±2, 75V) können verwendet werden.Der AS2333Q wurde mit einer Stromstabilisierungstechnik entwickelt und ist für Niederspannungs-Einzelversorgungs-Applikationen optimiert, insbesondere für stromsparende Hochpräzisionsapplikationen.
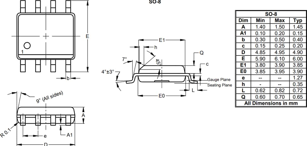
Der AS2333Q Operationsverstärker von Diodes Incorporated ist in einem SO-8-Industriestandard-Gehäuse verfügbar. Das Bauteil ist für Fahrzeuganwendungen AEC-qualifiziert und ist für den Betrieb von -40 °C bis +125 °C spezifiziert.
Merkmale
- Niedrige Eingangs-Offset-Spannung: 8 µV (typisch)
- Nullpunktdrift; 0,02 μV/°C typisch
- 0,01 Hz bis 10 Hz Rauschen; 1,1 μVPP
- Geringer Ruhestrom 12 μA
- Versorgungsspannung: 8 V bis 5,5 V
- Rail-to-Rail-Ein-/Ausgang
- Bandbreite: 350 kHz
- Anstiegsrate: 0,12 V/µs (typisch)
- Betriebstemperaturbereich: -40 °C bis +125 °C
- SO-8-Gehäuse
- Vollständig RoHS-konform und bleifrei
- Halogen- und antimonfreies umweltfreundliches Bauteil
Applikationen
- Batteriebetriebene Messgeräte
- Pumpen
- Airbags
- Positionssensoren
- Fahrzeuginsassen-Erkennungssensoren
Typische Applikations-Schaltungen
Gehäuseabmessungen
Veröffentlichungsdatum: 2022-06-29
| Aktualisiert: 2024-04-12
