Diodes Incorporated AL58818Q 18-Kanal-Linear-LED-Treiber
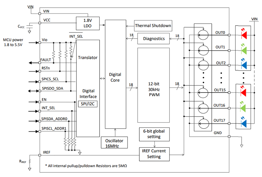
Der 18-Kanal-Linear-LED-Treiber AL58818Q von Diodes Incorporated umfasst 18 programmierbare LED-Stromkanäle, die jeweils mit interner 12-Bit-Pulsbreitenmodulation (PWM) und 6-Bit-Verdunkelung zur Farb- und Helligkeitssteuerung über eine I2C- oder SPI-Digitalschnittstelle ausgestattet sind. AL58818Q ist ideal für bis zu sechs RGB-LED-Beleuchtungsmodule mit drei programmierbaren Bänken (A, B, C) zur Softwaresteuerung jeder Farbe oder 18 einfarbige LEDs mit unabhängiger Verdunkelung für jeden Kanal. Ein externer Widerstand kann den globalen Ausgangsstrom aller 18 Kanäle einstellen. Jeder Kanalstrom kann digital bis zur thermischen Begrenzung des Gehäuses konfiguriert werden. Das nach AEC-Q100 (Klasse 1) qualifizierte Gerät arbeitet in einem Umgebungstemperaturbereich von -40 °C bis +125 °C und ist in einem W-QFN5050-40/SWP (Typ A1) MSL-Level-1-Gehäuse erhältlich.Die Funktionen des Bauteils AL58818Q werden über die digitale I2C/SPI-Digitalschnittstelle gesteuert. Der dedizierter Pin INT_SEL dient zur Auswahl des seriellen Schnittstellenprotokolls: I2C oder SPI. Der AL58818Q von Diodes Inc. bietet einen internen 30-kHz-12-Bit-PWM-Generator für jeden Kanal sowie kanal-/modulunabhängige Register für Farbmischung und Helligkeitssteuerung. Diese Eigenschaften ermöglichen es einem PWM-Phasensprung-Versatzverzögerungsausgang, lebendige LED-Effekte ohne hörbare Geräusche zu erzielen und die Anforderungen der EMV-Norm CISPR 25 Klasse 5 zu erfüllen. Benutzer profitieren vom extrem niedrigen IQ- Energiesparmodus des Geräts beim Herunterfahren und von der einfachen Softwareprogrammierung.
Merkmale
- 2,7 V bis 5,5 V Eingangsspannungsbereich
- 18x Präzisions-LED-Stromsenken
- 5,5 V maximale Spannung an den Pins
- 70 mA Strom pro Kanal
- 12-Bit-PWM-Register mit 30 kHz internem PWM-Generator
- PWM-Phasenverschiebung
- 6-Bit globale Verdunkelung
- Unabhängige Farbmischregister
- Unabhängige Helligkeitssteuerungsregister
- Logarithmische oder lineare Skala der Helligkeitssteuerung
- 3x programmierbare Bänke (A, B, C)
- Typischer Low-Dropout VSAT von 200 mV bei 70 mA
- Die über Hardware wählbar I2C- oder SPI-Digitalschnittstelle unterstützt eine I2C-Schnittstelle mit 400 kHz und eine SPI-Schnittstelle mit 4 MHz.
- Ultra-niedriger Ruhestrom von 1 μA im Abschaltmodus, maximal 15 μA im Energiesparmodus
- Diagnose und Schutzfunktionen
- Open-Drain-Fehleranzeigepin und Register
- Individuelle Fehlermaskierungsregister für jeden Kanal
- Übertemperaturschutz (OTP) mit Vorwarnung vor OTP
- LED offen/kurzgeschlossen und Unterspannung
- Gehäuse W-QFN5050-40/SWP (Typ A1) 5 mm x 5 mm
- Feuchteempfindlichkeit (MSL) 1
- Geeignet für Fahrzeuganwendungen, die eine spezifische Änderungsüberwachung erfordern; AEC-Q100 (Klasse 1) zertifiziert, PPAP-fähig und in IATF16949-zertifizierten Einrichtungen hergestellt
- Blei-, Halogen-/Antimonfreies und RoHS-konformes grünes Gerät
Applikationen
- Innen- und Außenbeleuchtung für Fahrzeuge
- Infotainment-Displays
- Statusanzeigeleuchten für Fahrzeuge
- Touchpanels und LCD-Displays
Technische Daten
- Maximaler Ausgangsstrom OUTx von 160 mA
- 1,8 V bis 5,5 V Betriebseingangsleistung von der MCU-Schiene
- Netzteil
- 1,74 V bis 1,86 V interner LDO-Ausgang
- Versorgungsstrom
- 6 µA maximaler Ausschaltungsmodus
- 33 µA maximale STANDBY
- 9 mA maximaler Normalmodus
- 33 µA maximaler Energiesparmodus
- VIN UVLO
- 2 V bis 2,5 V steigender Bereich
- 1,8 V bis 2,4 V fallender Bereich
- 0,68 V bis 0,72 V Ausgangsspannung des IREF- Spannung
- Ableitvorrichtung
- 7 mA bis 70 mA maximaler Ausgangsstrombereich
- 155 mA maximale interne Strombegrenzung
- 2,2 µA maximaler Ableitstrom LEDx
- 0,6 V maximale Ausgangssättigungsspannung
- 0,10 V bis 0,35 V LED-Öffnungsschwellenbereich
- 0,31 V bis 0,9 V LED kurzer Schwellenbereich
- PWM-Verdunkelung
- 25 kHz bis 36 kHz PWM-Frequenzbereich
- 15,5 MHz typische Oszillatorfrequenz
- 8 ns typische IOUTx-Anstiegszeit
- Schutz
- +145 °C typischer vorthermischer Warnwert
- +20 °C typische Hysterese der vorthermischen Warnung
- +165 °C typische Temperatur für den thermischen Abschaltvorgang
- +20 °C typische Hysterese der thermischen Abschalttemperatur
- Thermischer Widerstand
- 36,0 °C/W Übergang zur Umgebung
- 18,7°C/W Übergang von Junction zu Gehäuse (oben)
- 1,1°C/W Übergang von Junction zu Gehäuse (unten)
- 6,4°C/W Übergang von Junction zu Leiterplatte
- Charakterisierungsparameter
- 0,2°C/W Übergang von Junction nach oben
- 6,4 °C/W Übergang zur Leiterplatte
- ESD-Bewertungen
- Maximales Human Body Model (HBM) von 2.000 V
- 1.000 V maximaler CDM-Wert (Charged-Device Model)
- Betriebstemperaturbereich der Umgebung von -40 °C bis +125 °C
Ressourcen
- Produktankündigung: I2C/SPI-programmierbare 18-/12-Kanal-Linear-LED-Treiber mit digitaler Farbmischung vereinfachen die dynamische Fahrzeugbeleuchtung
Funktionales Blockdiagramm
